EasyManua.ls Logo

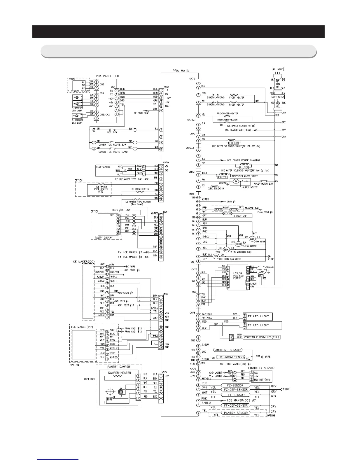
Samsung RF263TEAE** - 6 Wiring Diagram; 6-1) Model: RF263 TEAE**, RF263 BEAE

Samsung RF263TEAE**
105 pages
Print Icon
To Next Page IconTo Next Page
To Next Page IconTo Next Page
To Previous Page IconTo Previous Page
To Previous Page IconTo Previous Page
Loading...
99

6-1) Model : RF263TEAE**, RF263BEAE**, RF263NEAE**
This document can not be used without Samsung's authorization

Table of Contents

Related product manuals