EasyManua.ls Logo

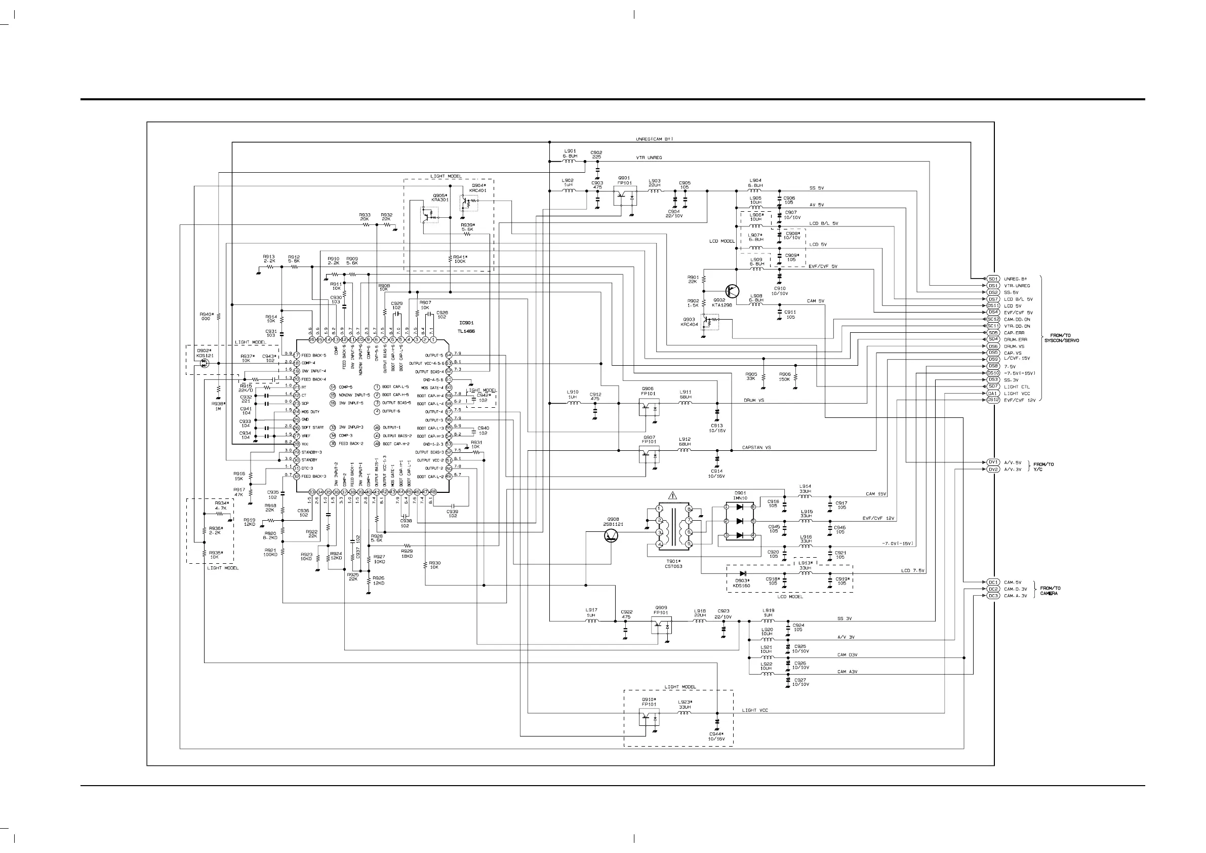
Samsung SCL550 - 9-1 DC;DC Converter (Main)

Samsung SCL550
147 pages
To Next Page IconTo Next Page
To Next Page IconTo Next Page
To Previous Page IconTo Previous Page
To Previous Page IconTo Previous Page
Loading...
9-4 Samsung Electronics
Schematic Diagrams
9-1 DC/DC Converter (Main)

Related product manuals