EasyManua.ls Logo

Samsung SCL550 - Cvf

Samsung SCL550
147 pages
Print Icon
To Next Page IconTo Next Page
To Next Page IconTo Next Page
To Previous Page IconTo Previous Page
To Previous Page IconTo Previous Page
Loading...
9-12 Samsung Electronics
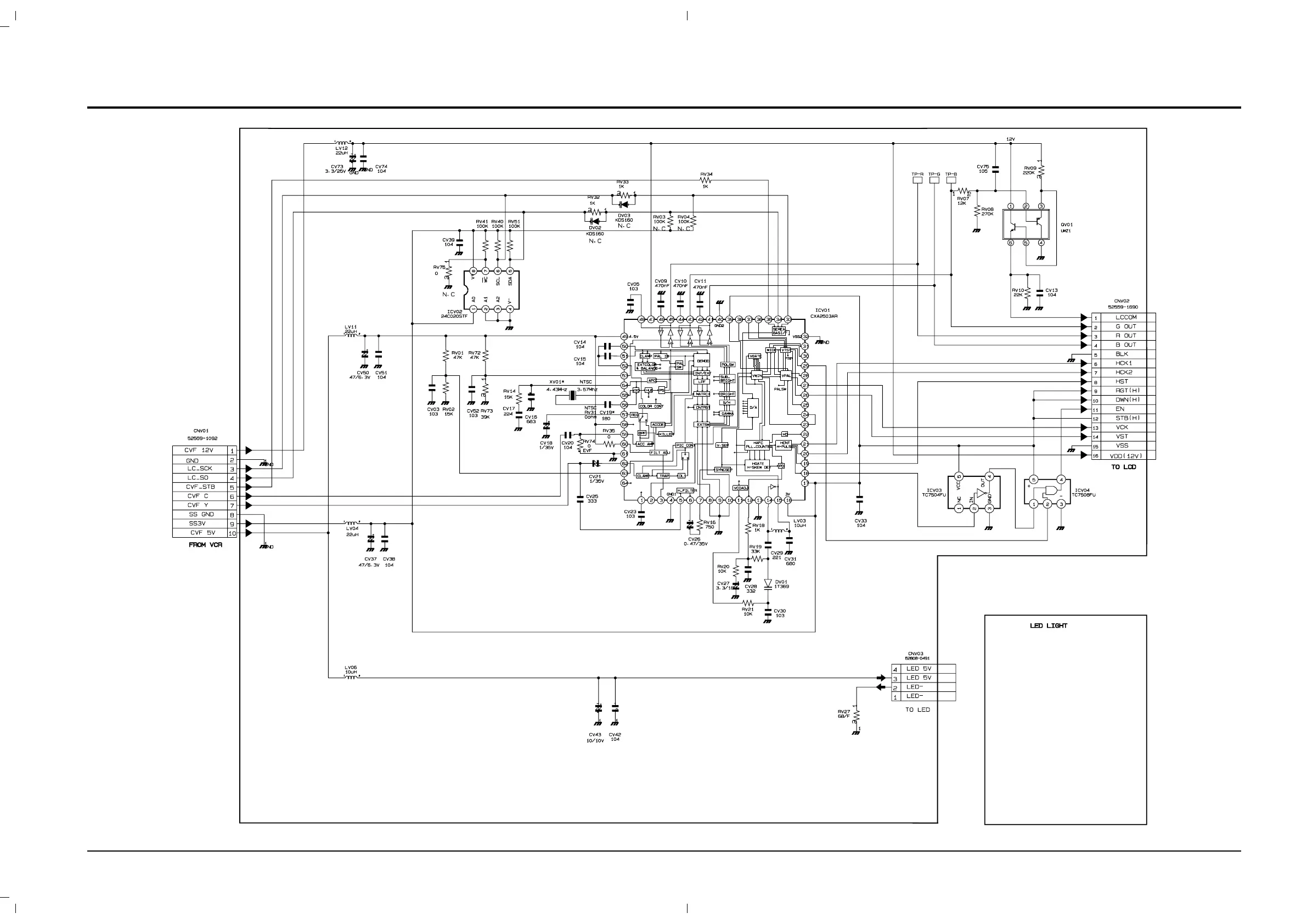
Schematic Diagrams
9-9 CVF

Related product manuals