EasyManua.ls Logo

Samsung SGH-E530 - Page 19

Samsung SGH-E530
35 pages
Print Icon
To Next Page IconTo Next Page
To Next Page IconTo Next Page
To Previous Page IconTo Previous Page
To Previous Page IconTo Previous Page
Loading...
SAMSUNG Proprietary-Contents may change without notice
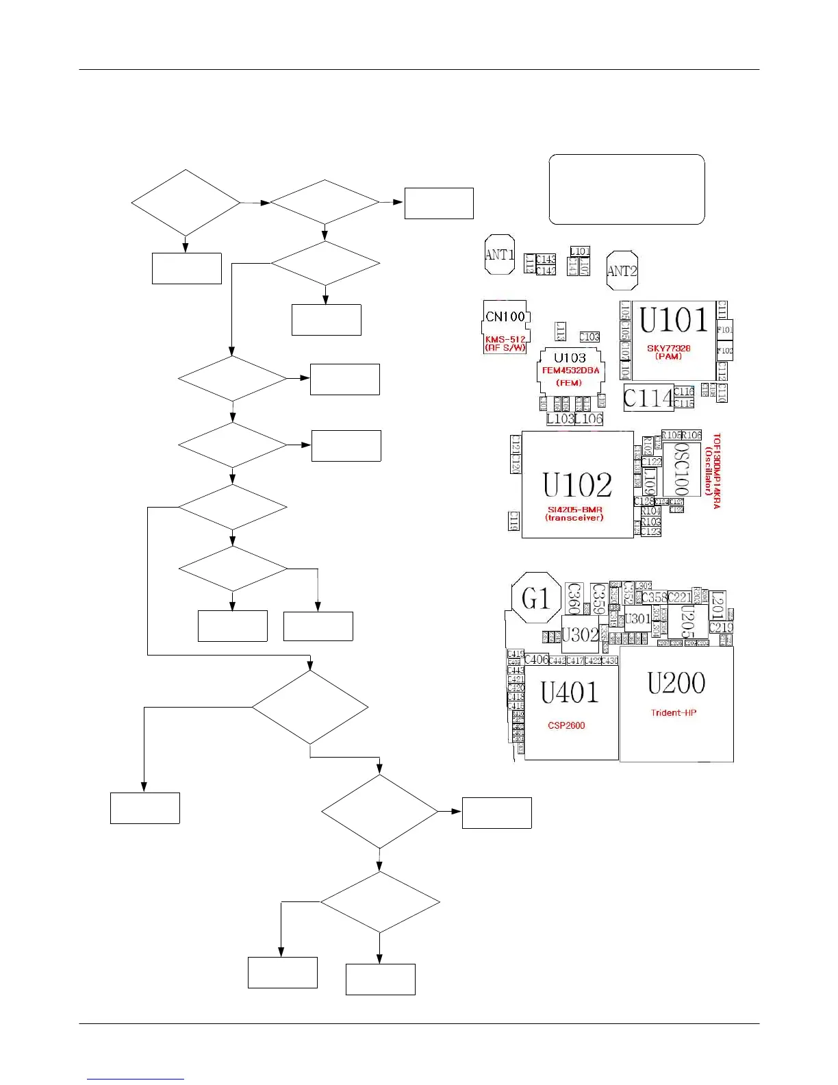
SGH-E530 Flow Chart of Troubleshooting
2-16
This Document can not be used without Samsung's authorization
2-1-3. EGSM TX
U103 pin#13
=about2~3
dBm
C103,CN100
check&change
U103
pin#1 = 2.8V
U401
check & change
U101 pin#11=
about 4~5dBm?
U103
check & change
U101
pin#6,17=3.7V
NO
NO
YES
YES
YES
NO
NO
BATTERY
check & change
U101
pin#20 = 1.6V
YES
NO
U101 pin#4
about =-5dBm
YES
U101
pin#18 = 3V
YES
YES
U101
change or resolder
NO
U401
check
U401
check
NO
U102
pin#9,32 =2.8V
U401 pinA13,C421
change or resolder
YES
U102
pin#8 = 13MHz
Vp-p = 950mV
U102
pin#4,5,6,7
=100mV
YES
U401
change or resolder
NO
NO
U102
change or resolder
YES
NO
OSC100
change or resolder
CONTINOUS TX ON CONDITION
TX POWER DAC : 600 CODE APPLIED
CH : 62
RBW : 100KHz
VBW : 100KHz
SPAN : 10MHz
REF LEV : 10dBm
ATT : 20dB

Related product manuals