EasyManua.ls Logo

Samsung SGH-E530 - Page 5

Samsung SGH-E530
35 pages
Print Icon
To Next Page IconTo Next Page
To Next Page IconTo Next Page
To Previous Page IconTo Previous Page
To Previous Page IconTo Previous Page
Loading...
SAMSUNG Proprietary-Contents may change without notice
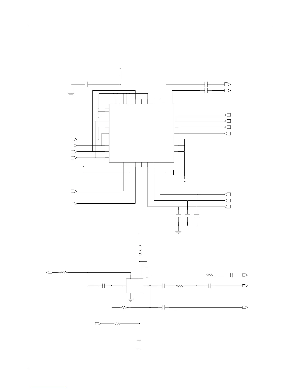
SGH-E530 Flow Chart of Troubleshooting
2-2
This Document can not be used without Samsung's authorization
CC113311
CC112211
VVRRFF__22__99
CC112200
CC111199
CC113300CC113322
XX
OO
UU
TT
2277
__
PP
DD
NN
1100
__
SS
EE
NN
1122
TTXXIINN
55
TTXXIIPP
44
TTXXQQNN
77
TTXXQQPP
66
VV
DD
DD
99
VV
DD
DD
3322
XX
EE
NN
2266
XX
II
NN
88
2222
RR
FF
OO
GG
2233
RRXXIINN
33
22
RRXXIIPP
RRXXQQNN
11
RR
XX
QQ
PP
2288
SS
CC
LL
KK
1133
SS
DD
II
1144
SS
DD
OO
1111
3355
3366
GGNNDD
RRFFIIDDNN
1199
RRFFIIDDPP
1188
RRFFIIGGNN
2211
RRFFIIGGPP
2200
RRFFIIPPNN
1177
RRFFIIPPPP
1166
RR
FF
OO
DD
2244
DD
II
AA
GG
22
2255
GGNNDD
1155
GG
NN
DD
22993300
GG
NN
DD
GG
NN
DD
33113333
GG
NN
DD
3344
GG
NN
DD
GGNNDD
UU110022
DD
II
AA
GG
11
VVRRFF__22__99
CC112288
SSEERRLLEE
SSEERRCCLLKK
SSEERRDDAATT
RRFF__EENN
CCLLKK1133MM__RRFF
GGSSMM__LLNNAA__IINN__PP
DDCCSS__LLNNAA__IINN__NN
RRTTXXIIPP
GGSSMM__PPAAMM__IINN
DDPPCCSS__PPAAMM__I
INN
RRTTXXQQNN
RRTTXXIINN
RRTTXXQQPP
DDCCSS__LLNNAA__IINN__PP
GGSSMM__LLNNAA__IINN__NN
VVCCCC
11
VVCCOONNTT
OOSSCC110000
55
BBUUFFFFIINN
BBUUFFFFOOUUTT
66
GGNNDD
22
OOUUTT
3344
RR110033
VVRRFF__22__99
CC112299
CC112222
CC112255
RR110066
RR110055
CC112244
LL110099
CC112277
CC112233
CC112266
RR110044
RR110022
CCLLKK1133MM__TTRR
CCLLKK1133MM__RRFF
CCLLKK1133MM__MMC
C
AAFFCC
CCLLKK1133MM__YYMMUU

Related product manuals