EasyManua.ls Logo

Samsung SR-L679EV - Button Scan and Display Circuitry

Samsung SR-L679EV
81 pages
To Next Page IconTo Next Page
To Next Page IconTo Next Page
To Previous Page IconTo Previous Page
To Previous Page IconTo Previous Page
Loading...
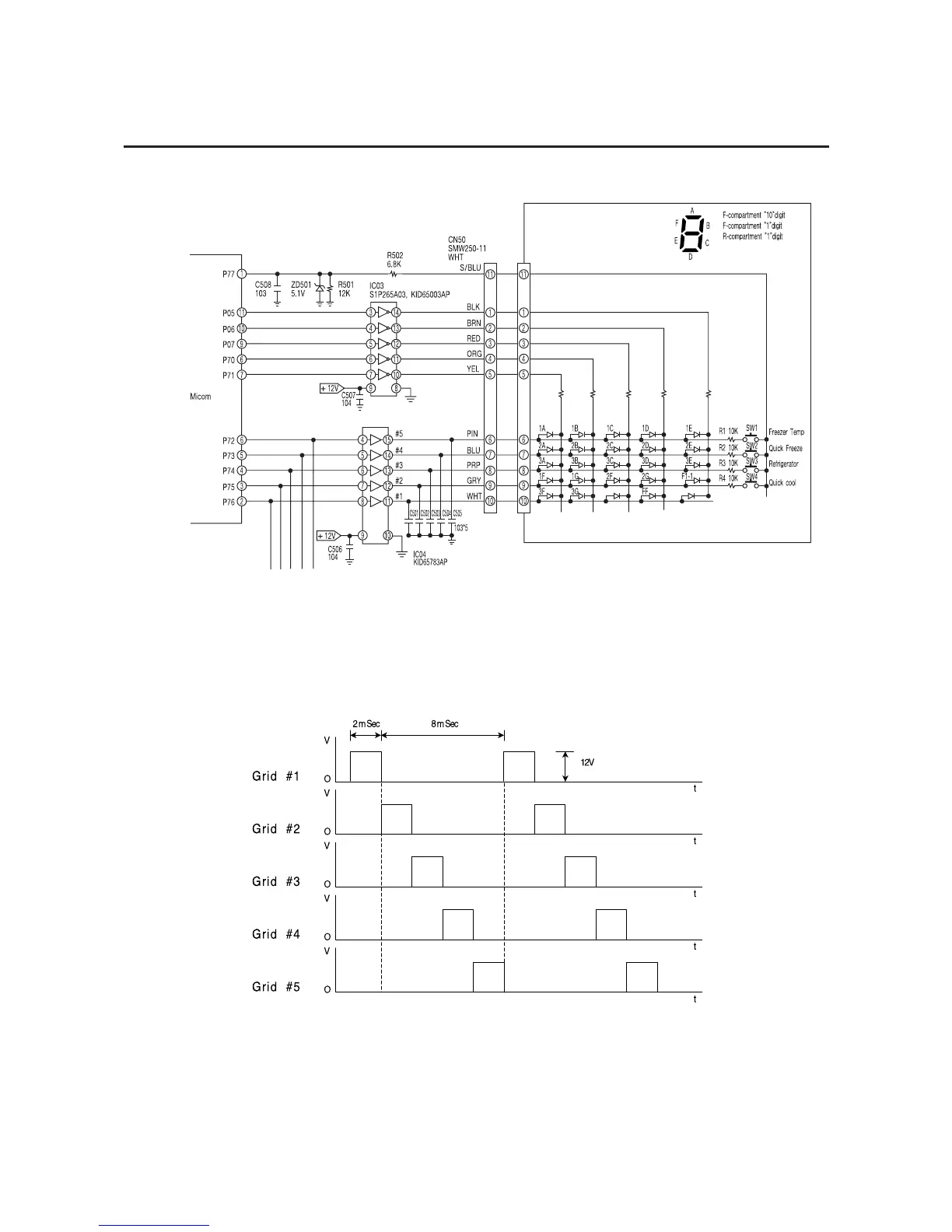
At that time, the peak to peak voltage of square signal registers around 12V. The grid #1 ~#5
waveforms are as follows.
6-6. Button scan and display circuitry
22

Table of Contents

Related product manuals