EasyManua.ls Logo

Samsung VXK-306 - Page 45

Samsung VXK-306
70 pages
Print Icon
To Next Page IconTo Next Page
To Next Page IconTo Next Page
To Previous Page IconTo Previous Page
To Previous Page IconTo Previous Page
Loading...
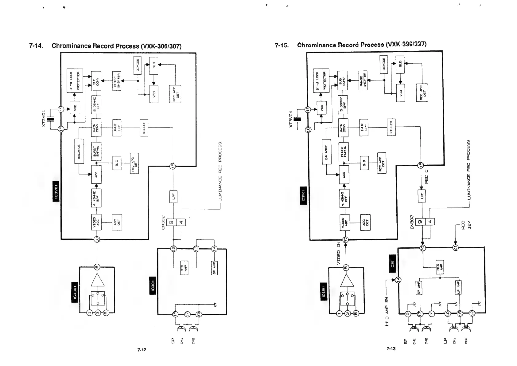
Chrominance
Record
Process
(VXK-336/337)
7-15.
Chrominance
Record
Process
(VXK-306/307)
7-14,
SS300W0d
93
BONVNIWN)
tocrol
LOAEO)
TOAELX
SS3900ud
OAH
SONVNIWNT
dda
ZHWSO
'S
3193100d
LOevol
~DO7
Py
.€
LOAEDI
TOAELX
7-13
7-12

Related product manuals