EasyManua.ls Logo

Samsung WF337AAR - Page 59

Samsung WF337AAR
68 pages
Print Icon
To Next Page IconTo Next Page
To Next Page IconTo Next Page
To Previous Page IconTo Previous Page
To Previous Page IconTo Previous Page
Loading...
12-2
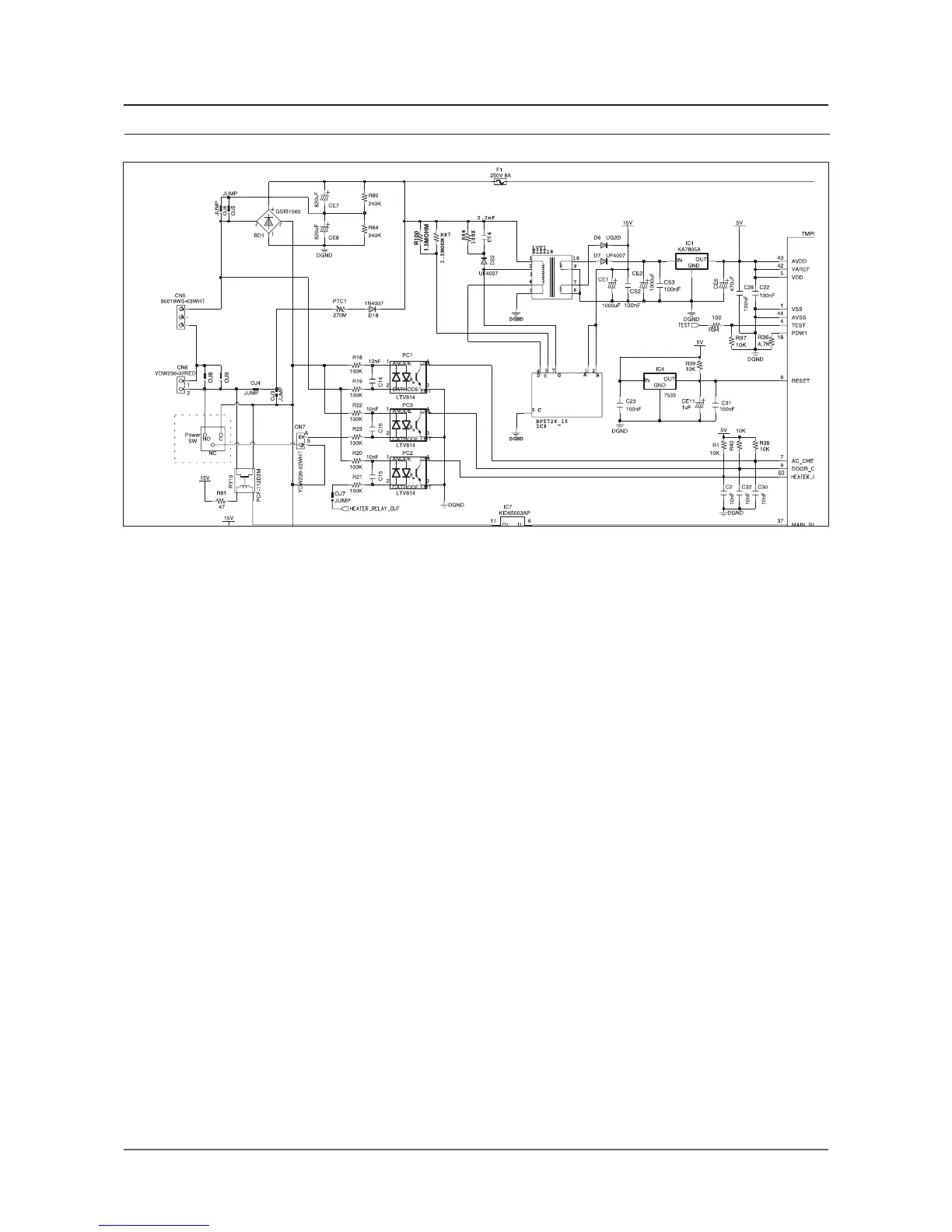
Function
- Generates constant DC voltages of 15V and 5V, etc. necessary to control the circuits by transforming high AC input
voltages.
- The circuit of this part is constructed using a switching transformer.
Description
- Generates DC voltages by transforming AC inputs through a diode (bridge).
- The switching transformer implements voltages of 15V and 8V.
- A constant 5V is output at the IC1 output terminal.
12-2. POWER SUPPLY PART

Related product manuals