EasyManua.ls Logo

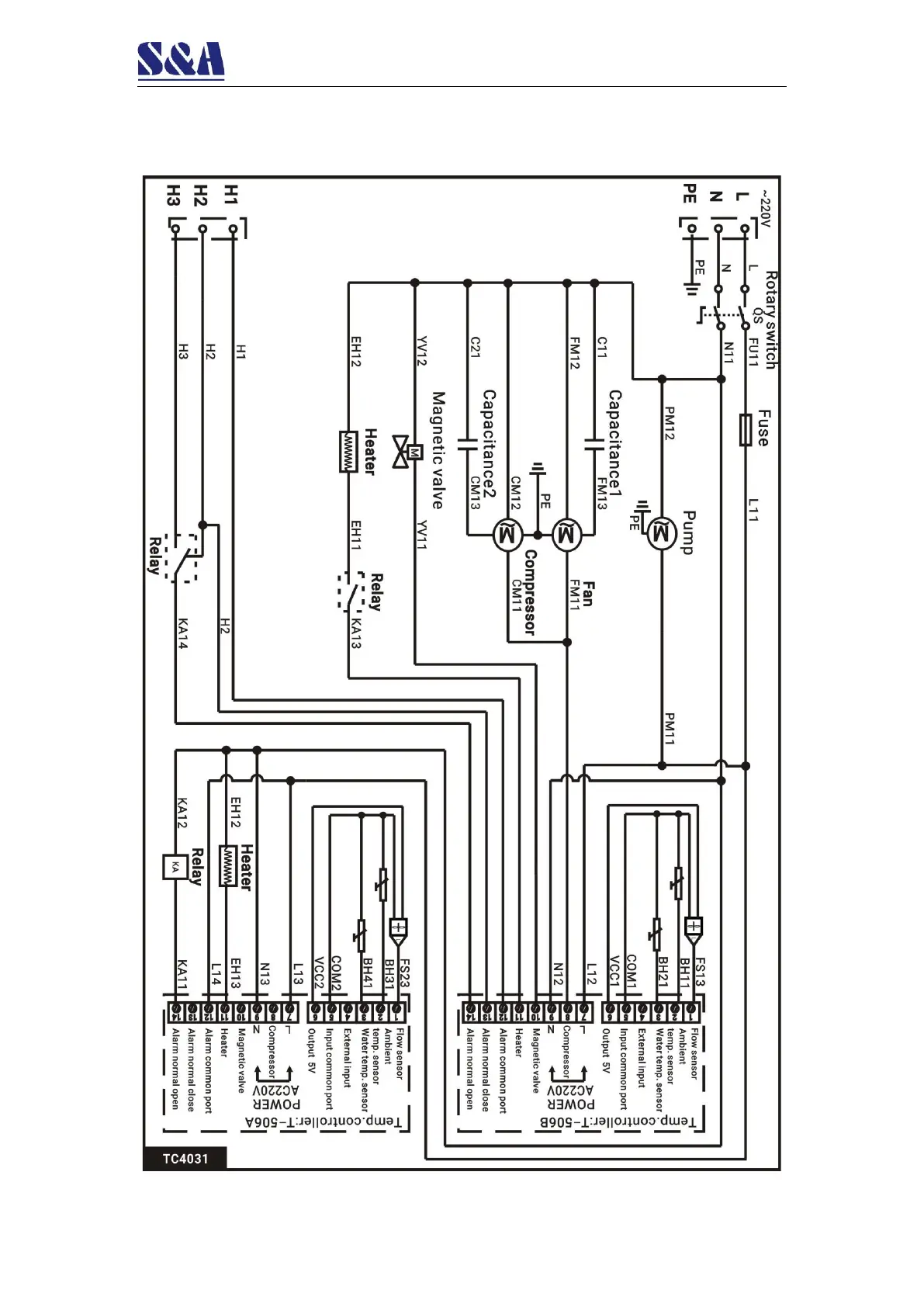
S&A CWFL-1500 - Attachment - Schematic

S&A CWFL-1500
20 pages
Print Icon
To Next Page IconTo Next Page
To Next Page IconTo Next Page
To Previous Page IconTo Previous Page
To Previous Page IconTo Previous Page
Loading...
TY-JS-211220-009
18
Attachment Schematic
CWFL-500/1000

Related product manuals