EasyManua.ls Logo

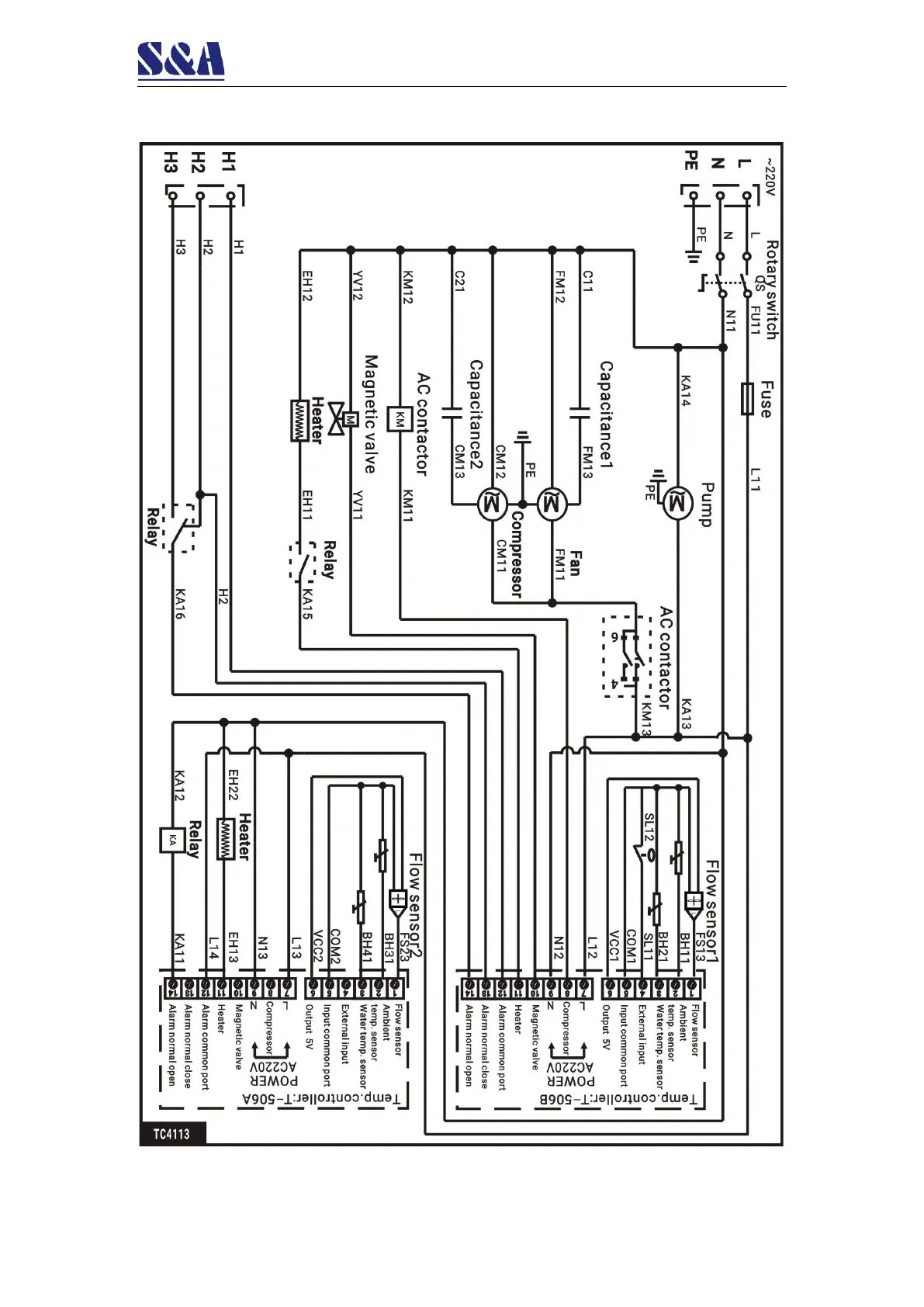
S&A CWFL-500 - CWFL-3000 Electrical Schematic

S&A CWFL-500
20 pages
Print Icon
To Previous Page IconTo Previous Page
To Previous Page IconTo Previous Page
Loading...
TY-JS-211220-009
20
CWFL-3000

Related product manuals