EasyManua.ls Logo

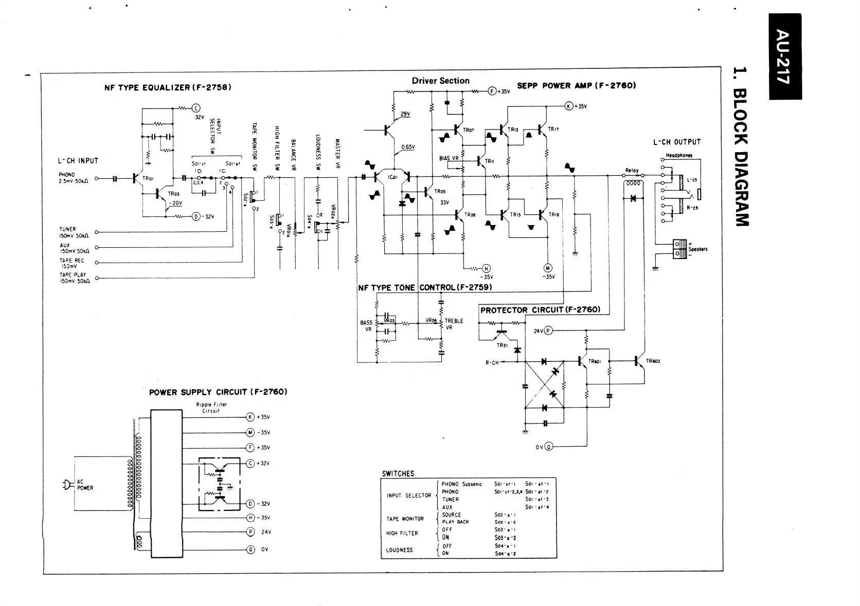
Sansui AU-217 - 1. BLOCK DIAGRAM

Sansui AU-217
9 pages
Print Icon
To Next Page IconTo Next Page
To Next Page IconTo Next Page
To Previous Page IconTo Previous Page
To Previous Page IconTo Previous Page
Loading...

Other manuals for Sansui AU-217

Related product manuals