EasyManua.ls Logo

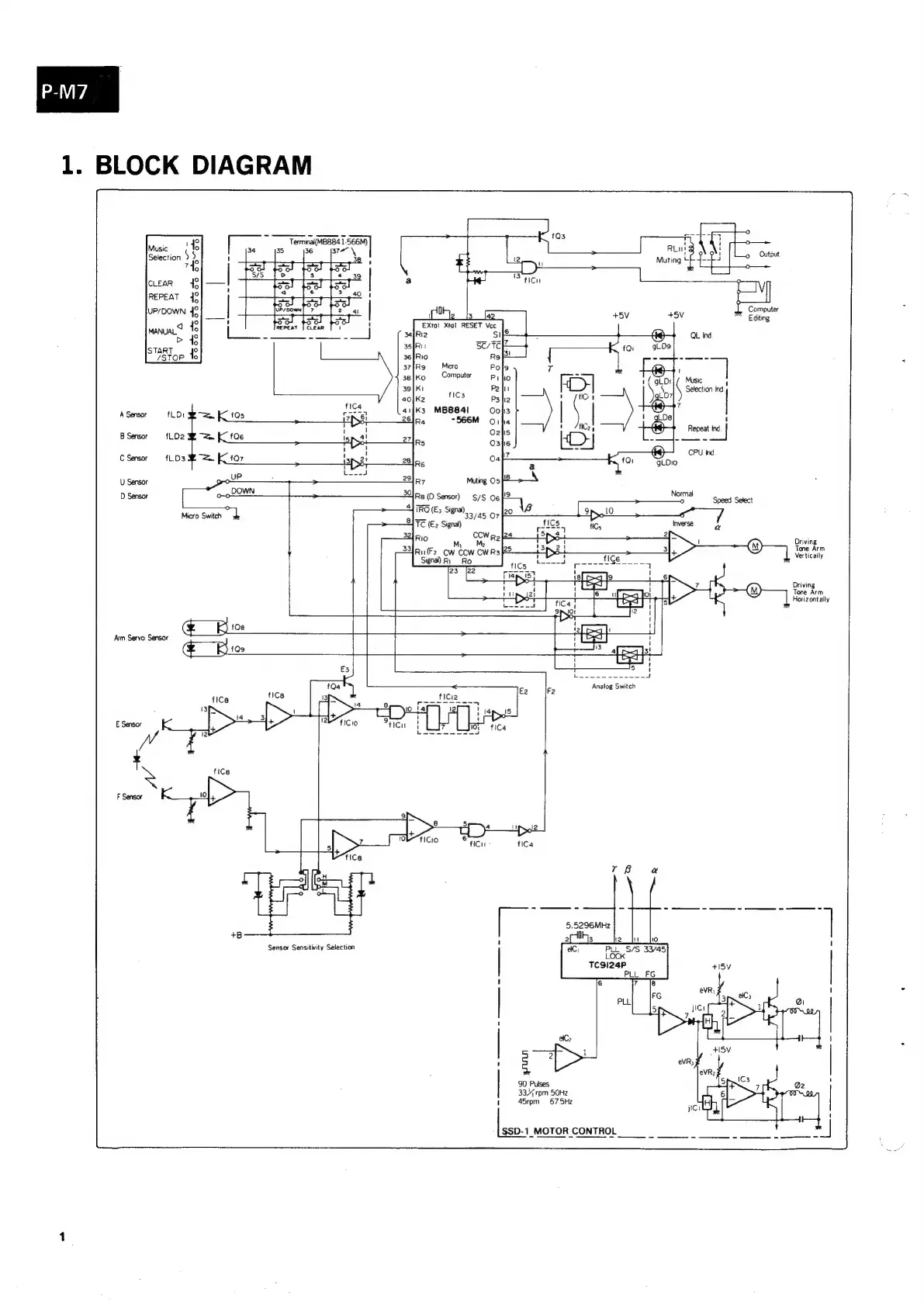
Sansui P-M7 - Block Diagram Overview; Microcomputer and its Connections; Motor Control Circuit Diagram

Sansui P-M7
15 pages
Print Icon
To Next Page IconTo Next Page
To Next Page IconTo Next Page
To Previous Page IconTo Previous Page
To Previous Page IconTo Previous Page
Loading...
1.
BLOCK
DIAGRAM
Terminal
MB884
1-566M)
36
fO3
B
Sensor
1LD2
“=e
K
f06
Isnal
>
al
K
1
C
Sensor
f{LO3
Za
O7
_
i3
2
pb
U
Sensor
uP
=
>
D
Sensor
o-o
DOWN
_
Micro
Switch
Sensor
Sensitivity
Selection
Micro
Computer
f1C3
MB884)
-
566M
aul
i
Computer
+5V
+5V
Editing
QL
Ind
fQ
gLDe
'
bs
t{
gLDi}/
Music
ty
>
iy
s
Selection
nd
4
fC
107]
7
|
'
gi
De
1
Nay
i
Repeat
Ind
|
fie)
i)
CPU
ind
fO1
gLDIo
Normal
Speed
Select
33%
rpm
50H2
45rpm_)—
67
SHz
|
SSD-1_MOTOR
CONTROL
Driving
Tone
Arm
Vertically
Driving
Tone
Arm
Horizontally
Analog
Switch
TC9I24P
PLL

Related product manuals