EasyManua.ls Logo

Sansui T-1000 - Block Diagram

Sansui T-1000
13 pages
Print Icon
To Next Page IconTo Next Page
To Next Page IconTo Next Page
To Previous Page IconTo Previous Page
To Previous Page IconTo Previous Page
Loading...
——
FM
Front-end
Pack
=
o
=)
o
-
o
o
io)
-
-
“aM
O™—~—~—
acFi
4Q4
C2
aT}
0!
a
4
7
'
_
O
rw
>
nV
a=
ps
sa
;
=
7
2a
or
Hi
A
i
O)R-ch
dQ4R
ie
dFT1
1
AM
Loop
'
}ro
Antenna
5
>
i
_
FtQ
0023
MW
LOOKED
HI-BLEND
Ind.
Level
adj.
eVRIdVRt
eT3
eCF1
9a
HiaLe
FM
LOOKED
s
Ind.
Level
adj
LOCKED
FM/AM
(MW)/LW
Selection
LW+B
AM
(MW)
+B
FM+B
equency
*T-1000L
only
T-1000L
only
TUNING
sQt
OoMW+B
:
i-BLEND
Mute
ON:
H
ftC4
TC9IB2P
T-1000
Fe
eis
|
+5ay
7
JOP
ST
Socket
6
[Key
Section]
Key
Matrix
oS!
~
0$23
0Q7
TC9303-002
008
o0S17
Hi-
BLEND
o0ag
”,
oo,
|
0818
FM
0523
MEMORY
ny
0519
:AM
0S!
0$20
UP
XN
0S21
DOWN
0S22
TUNING
MI
Synthesizer
al
~~
Control
fl
7.2MHz
fXxOt
ee
eee
25
osié!
G
System
Control
Mi6
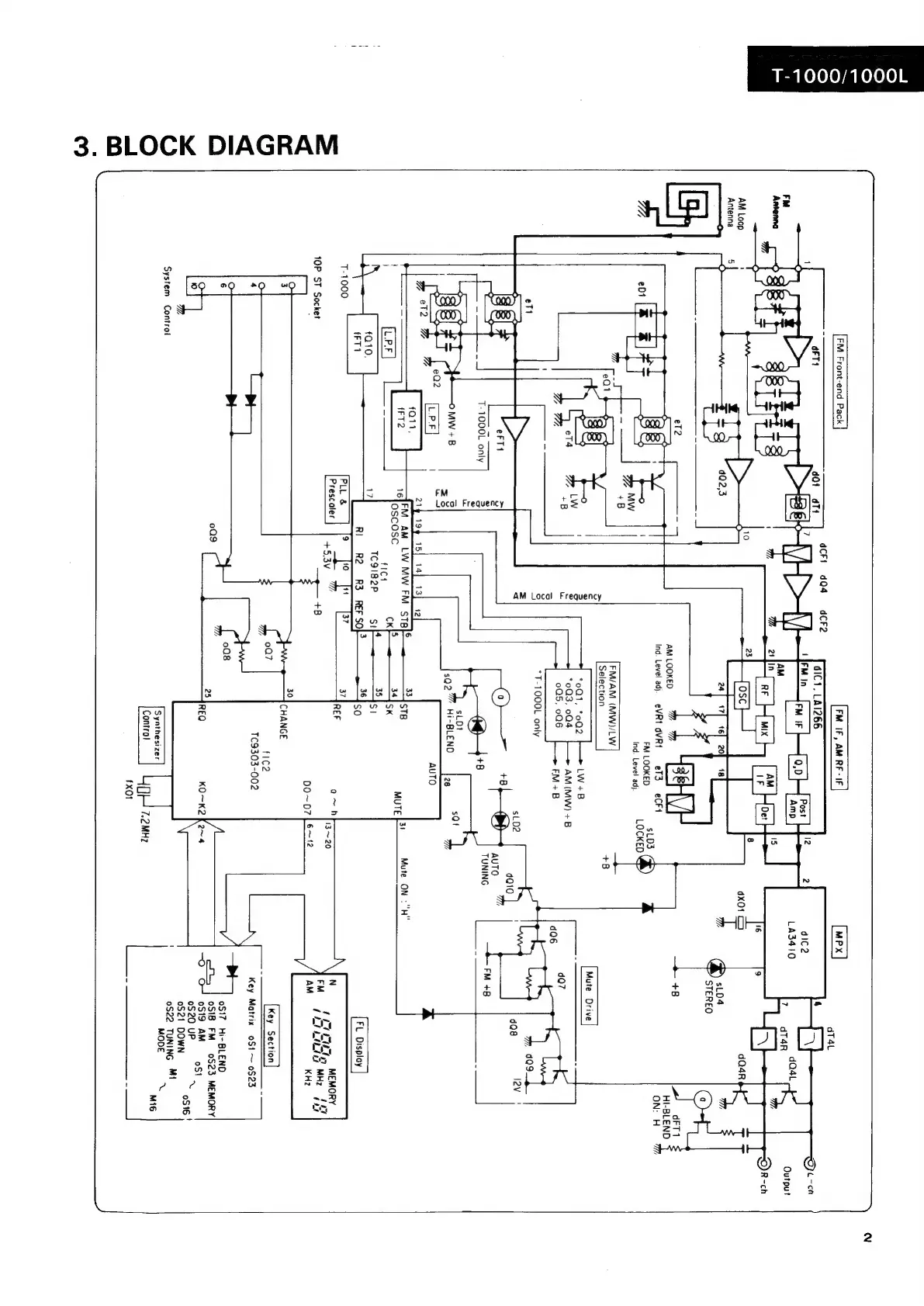
3.
BLOCK
DIAGRAM

Related product manuals