EasyManua.ls Logo

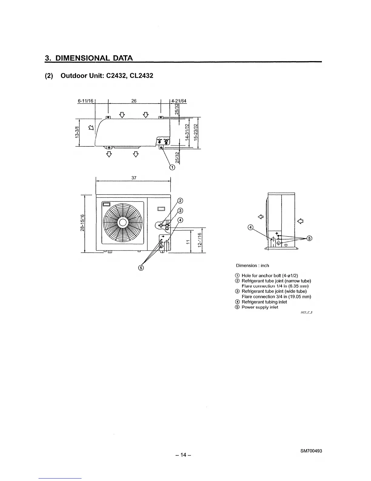
Sanyo C2432 - Outdoor Unit Dimensions (C2432, CL2432)

Sanyo C2432
63 pages
To Next Page IconTo Next Page
To Next Page IconTo Next Page
To Previous Page IconTo Previous Page
To Previous Page IconTo Previous Page
Loading...

Other manuals for Sanyo C2432

Related product manuals