EasyManua.ls Logo

Sartorius Master Pro LA620S - Page 56

Sartorius Master Pro LA620S
64 pages
Print Icon
To Next Page IconTo Next Page
To Next Page IconTo Next Page
To Previous Page IconTo Previous Page
To Previous Page IconTo Previous Page
Loading...
56
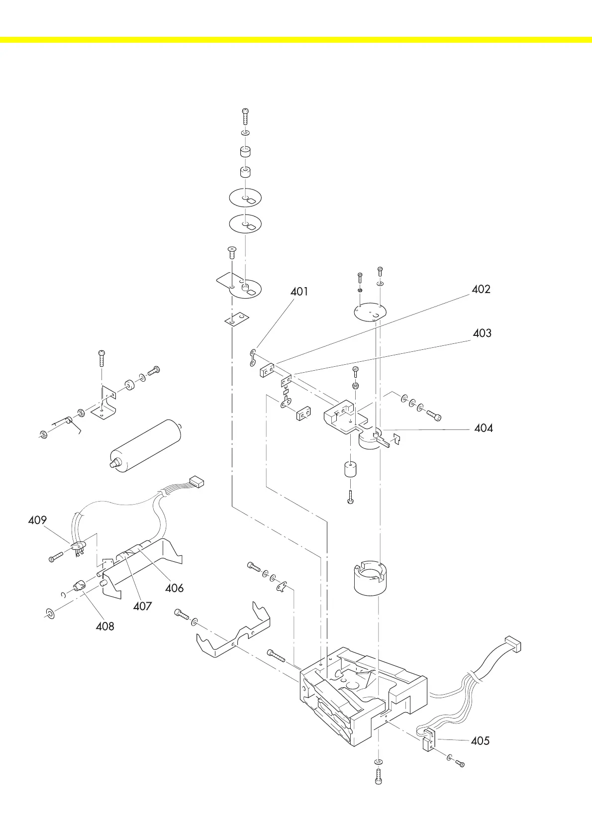
LP_exp_4.EPS
LP / LA - Exploded-View Diagram 4

Table of Contents

Related product manuals