EasyManua.ls Logo

Saunacore Heaters - Heater Components and Mounting; Heater Mounting

Default Icon
19 pages
Print Icon
To Next Page IconTo Next Page
To Next Page IconTo Next Page
To Previous Page IconTo Previous Page
To Previous Page IconTo Previous Page
Loading...
Figure 19
Figure 118
Standard HD & ULT C6+1
7.5"
7.5"
9"
9"
Heater Guard must
be from floor to ceiling
Stove must have:
Figure 117
Mounting
Diagram for
Residential
Model
Standar
d Model
Special
Edition Model
St
eam V
aporizer
Model
Sauna Room
Mounting Diagram - Ultimate
12
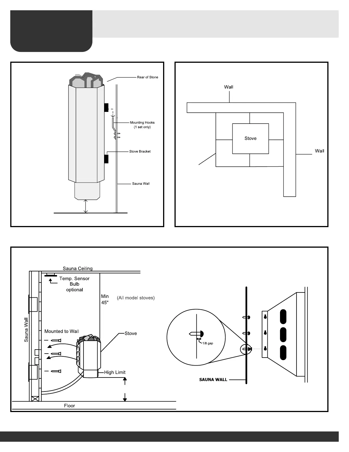
Heater Mounting
SAUNACORE
A non metallic guard rail must be away from sauna heater by a minimum
of 9 inches, and the heater must be a minimum of 7.5 inches away from
any vertical surface. There must be a minimum of 45 inch clearance from
the top of the heater to the ceiling.
min 2 inches
min 2 inches
A non-metallic guard rail must be away from the residential sauna heater models by a minimum
of 4 inches, and the residential heater models must be minimum 2 inches away from any vertical
surface. There must be a minimum of 45 inches clearance above the heater to the ceiling and
a minimum of 2 inches above the floor.
(applies to Canadian application)