EasyManua.ls Logo

Saunacore Heaters - Wiring Diagrams; Commander Control Wiring

Default Icon
19 pages
Print Icon
To Next Page IconTo Next Page
To Next Page IconTo Next Page
To Previous Page IconTo Previous Page
To Previous Page IconTo Previous Page
Loading...
4 www.saunacore.com
Commander Controls Installation & Wiring
UNACORE .
Figure 44
Figure 33
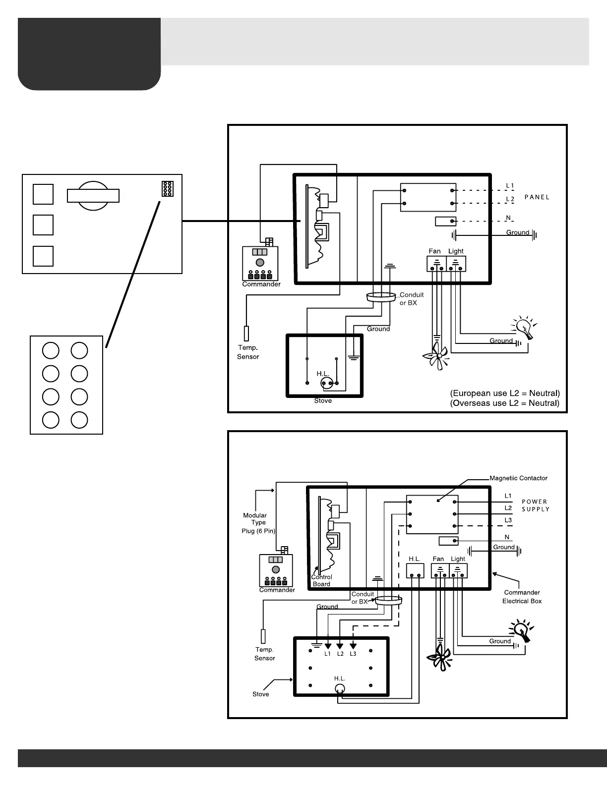
Commander Controll KW2 - KW6 Power Supply
(120v or 240v Maximum 1 Phase)
Commander Control Wiring Diagram
240v/208v 1 phase
Over 30 Amps or Any 3 phase
IMPORTANT!
Loose connections or connectors
may cause electrical shortage.
Make sure all connections and
connectors are firmly secure.
Note:
All power supply wires
from control box to stove
must be protected by
metal conduit.
4 www.saunacore.com
Commander Controls Installation & Wiring
SAU
Figure 44
Figure 33
Commander Controll KW2 - KW6 Power Supply
(120v or 240v Maximum 1 Phase)
Commander Control Wiring Diagram
240v/208v 1 phase
Over 30 Amps or Any 3 phase
IMPORTANT!
Loose connections or connectors
may cause electrical shortage.
Make sure all connections and
connectors are firmly secure.
Note:
All power supply wires
from control box to stove
must be protected by
metal conduit.
4 www.saunacore.com
Commander Controls Installation & Wiring
NACORE I\\\\\
Figure 44
Figure 33
Commander Controll KW2 - KW6 Power Supply
(120v or 240v Maximum 1 Phase)
Commander Control Wiring Diagram
240v/208v 1 phase
Over 30 Amps or Any 3 phase
IMPORTANT!
Loose connections or connectors
may cause electrical shortage.
Make sure all connections and
connectors are firmly secure.
Note:
All power supply wires
from control box to stove
must be protected by
metal conduit.
4 www.saunacore.com
Commander Controls Installation & Wiring
SAUNACORE
Figure 44
Figure 33
Commander Controll KW2 - KW6 Power Supply
(120v or 240v Maximum 1 Phase)
Commander Control Wiring Diagram
240v/208v 1 phase
Over 30 Amps or Any 3 phase
IMPORTANT!
Loose connections or connectors
may cause electrical shortage.
Make sure all connections and
connectors are firmly secure.
Note:
All power supply wires
from control box to stove
must be protected by
metal conduit.
J7 - C - PREHEAT
J6 - T - TEMP LOCK
J5 - F - CELC / FAHR
J4 - P - 30/60 MINUTES
ADD JUMPER TO CHANGE SETTINGS
CAUTION: THE MANUAL RESET LIMIT SHALL BE WIRED IN THE CIRCUIT
For supply connections, use suitable AWG wires suitable for at least
90 C (190 F).
o
o
(use copper wire only) - Ground wire must be insulated.