EasyManua.ls Logo

SCANMASKIN MULTISTRIPPER - Övergripande Diagram

SCANMASKIN MULTISTRIPPER
62 pages
Print Icon
To Next Page IconTo Next Page
To Next Page IconTo Next Page
To Previous Page IconTo Previous Page
To Previous Page IconTo Previous Page
Loading...
SVENSKAMultistripper/ Multistripper Vario
37
www.scanmaskin.se
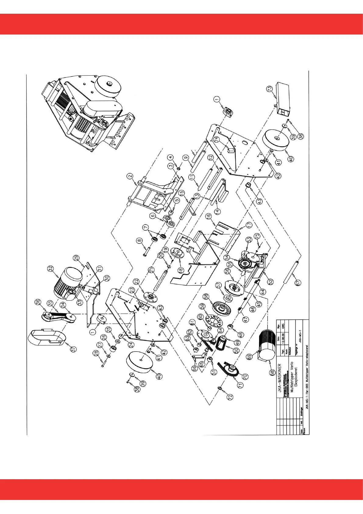
3.3 Övergripande diagram

Related product manuals