EasyManua.ls Logo

Scantool 16AE - Eldiagrammer; Wire Diagram; Schaltplan

Scantool 16AE
Print Icon
To Previous Page IconTo Previous Page
To Previous Page IconTo Previous Page
Loading...
45
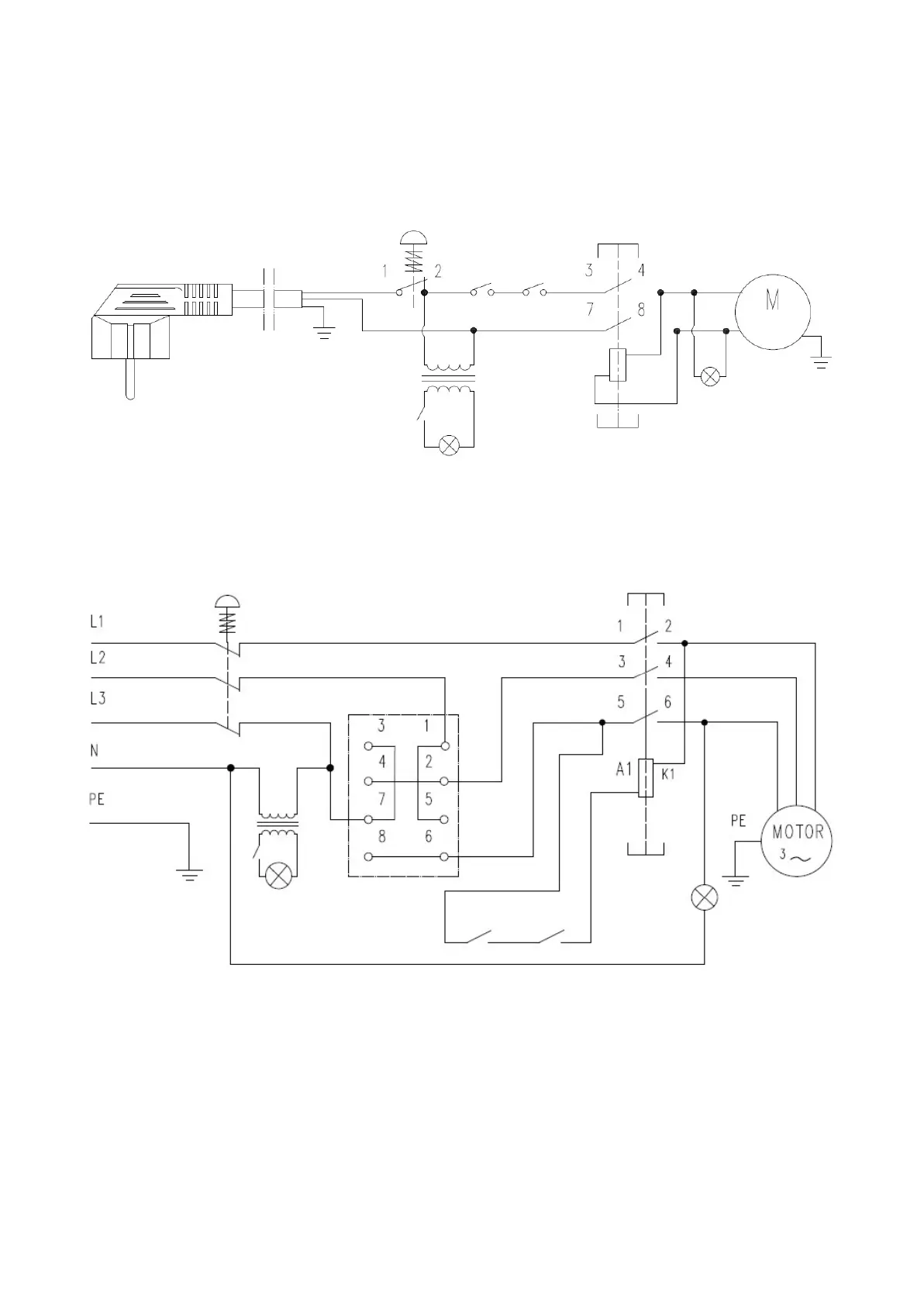
Eldiagrammer / Wire diagram / Schaltplan
230V
400V

Related product manuals