EasyManua.ls Logo

Scantool RB 75X - 4 Spare Parts; Belt Grinder with no Exhaust

Scantool RB 75X
36 pages
Print Icon
To Next Page IconTo Next Page
To Next Page IconTo Next Page
To Previous Page IconTo Previous Page
To Previous Page IconTo Previous Page
Loading...
19
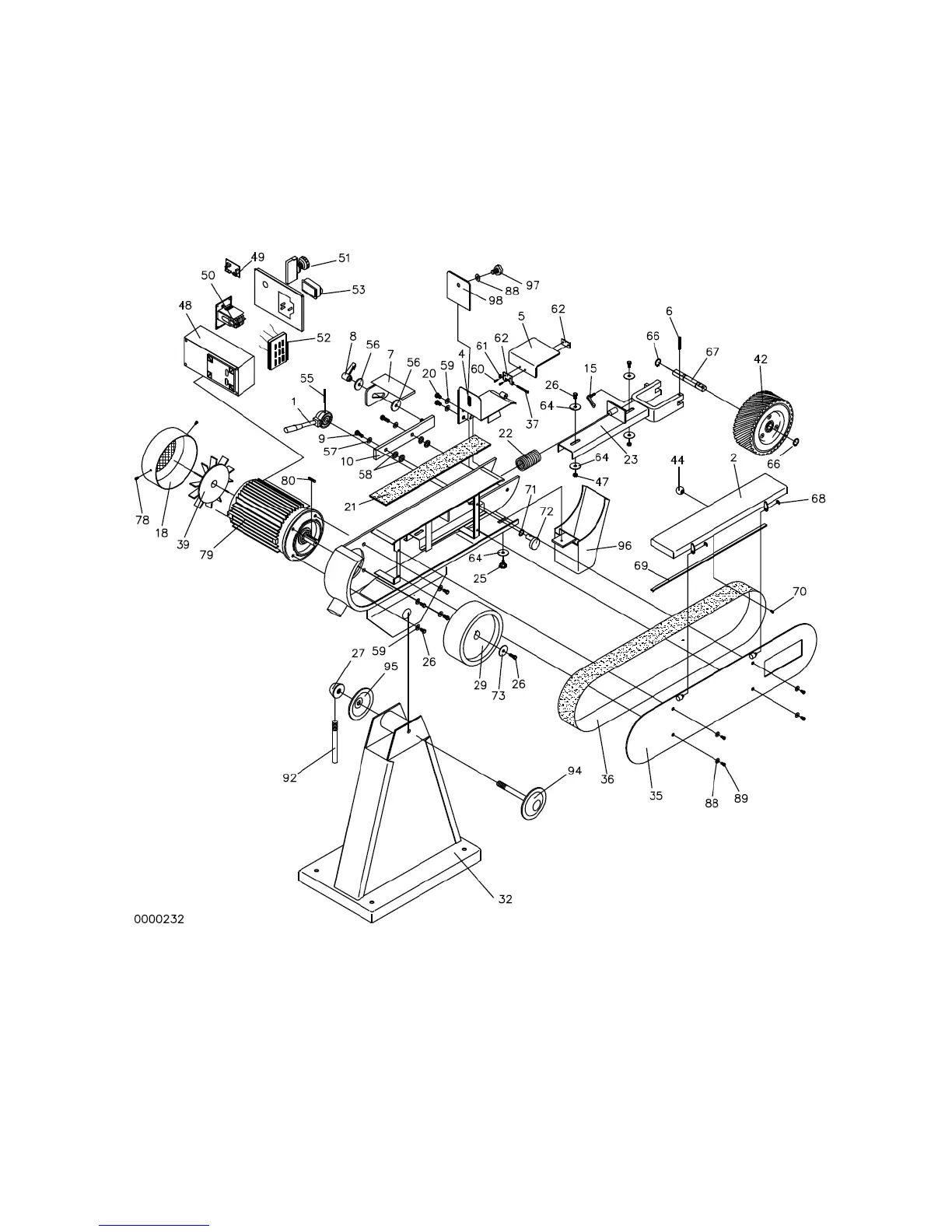
4. Spare parts
When ordering spare parts, the production and serial number must be disclosed.
4.1Belt grinder with no exhaust
Fig.:4.1 Split drawing of belt grinder with no exhaust

Related product manuals