EasyManua.ls Logo

Scantool RB 75X - Rb Aggregate

Scantool RB 75X
36 pages
Print Icon
To Next Page IconTo Next Page
To Next Page IconTo Next Page
To Previous Page IconTo Previous Page
To Previous Page IconTo Previous Page
Loading...
23
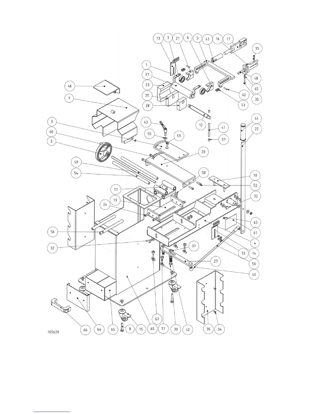
4.3 RB Aggregate
Fig 4.3.1 Split drawing of RB Aggregate

Related product manuals