EasyManua.ls Logo

Schaudt CSV 300-2 - Block Diagram - for Specialist Workshop Only

Schaudt CSV 300-2
Print Icon
To Next Page IconTo Next Page
To Next Page IconTo Next Page
To Previous Page IconTo Previous Page
To Previous Page IconTo Previous Page
Loading...
8 Situation: 25.11.2009 805.031 BA / EN
Instruction Manual Power Supply Unit CSV 300
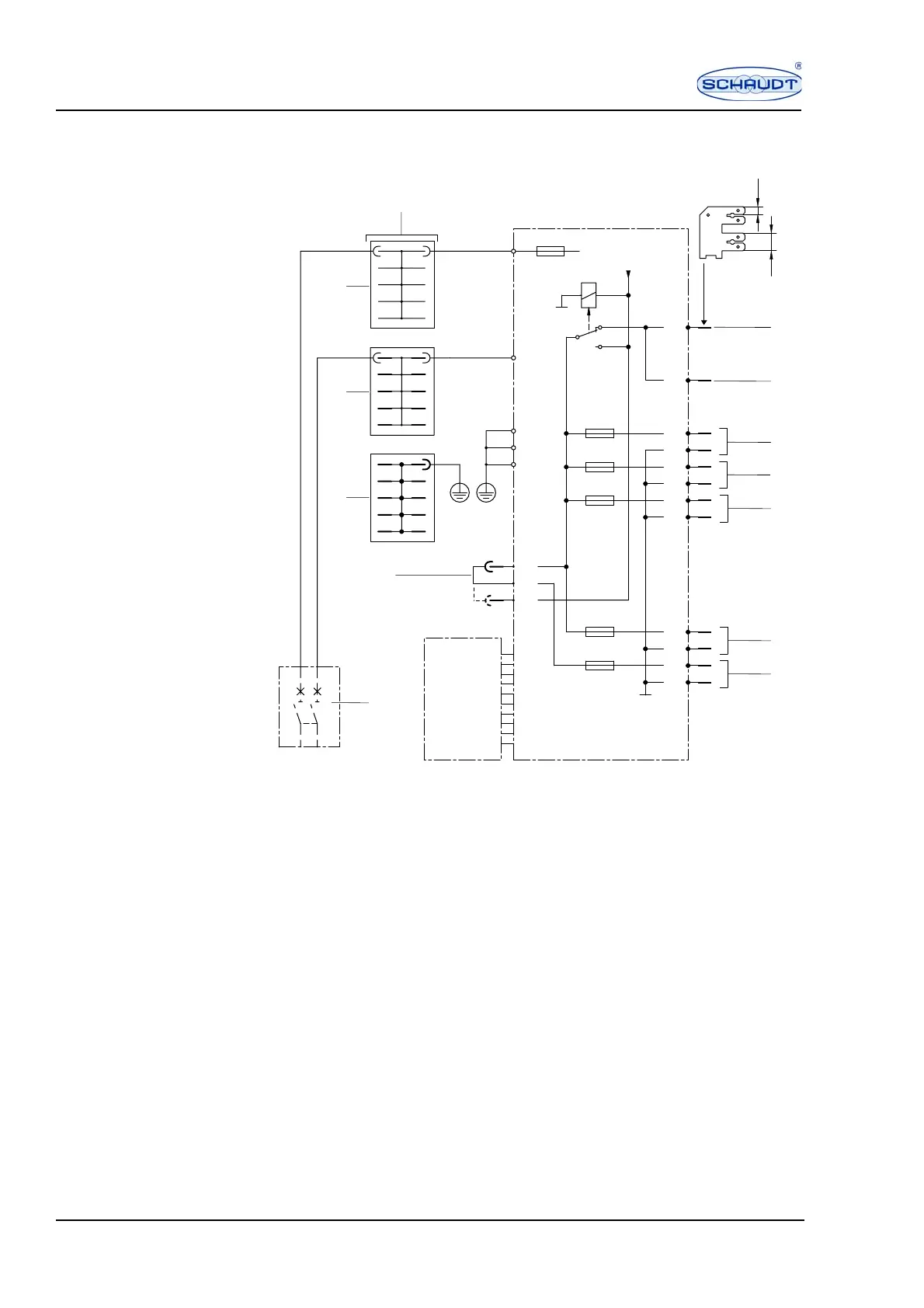
11 Block diagram - for specialist workshop only
Fig. 2 Block diagram supply unit CSV 300, CSV 300 2B10,
CSV 300 2B13 and CSV 300-3
1 Double circuit breaker (CSV 300 2B10: 10 A, CSV 300 2B13: 13 A)
2 Jumper:
A22 - A24: Circuit 5/awning light supplied only by mains
A24 - A23: Circuit 5/awning light supllied by vehicle battery too
3 Protective earth conductor, yellow/green
4 Neutral conductor, blue
5 External conductor, brown
6 230 V mains output, 8 outputs free, 3 x plug distributor 6.3 x 0.8 (10 x)
7 Vehicle battery/tow bar (ext. fuse max. 15 A)
8 Vehicle battery/tow bar (ext. fuse max. 15 A)
9 12 V output, circuit 1
10 12 V output, circuit 2
11 12 V output, circuit 3
12 12 V output, circuit 4
13 12 V output, circuit 5/awning light
!
!
!
!
!


6

!
!
!
!
!
!
!
!
!
!
!
!
!
!
!
#36 
6!
3#36 
!
!
!
!
!
6^(Z




6'7
#36 "
#36 "
#36 

Related product manuals