EasyManua.ls Logo

Schaudt CSV 300-2 - Stikalna Blok Shema - Samo Za Pooblaščeno Delavnico

Schaudt CSV 300-2
Print Icon
To Next Page IconTo Next Page
To Next Page IconTo Next Page
To Previous Page IconTo Previous Page
To Previous Page IconTo Previous Page
Loading...
8 Verzija: 25.11.2009 805.031 BA / SL
Navodilo za uporabo, naprava za oskrbo z elektriènim tokom
CSV 300
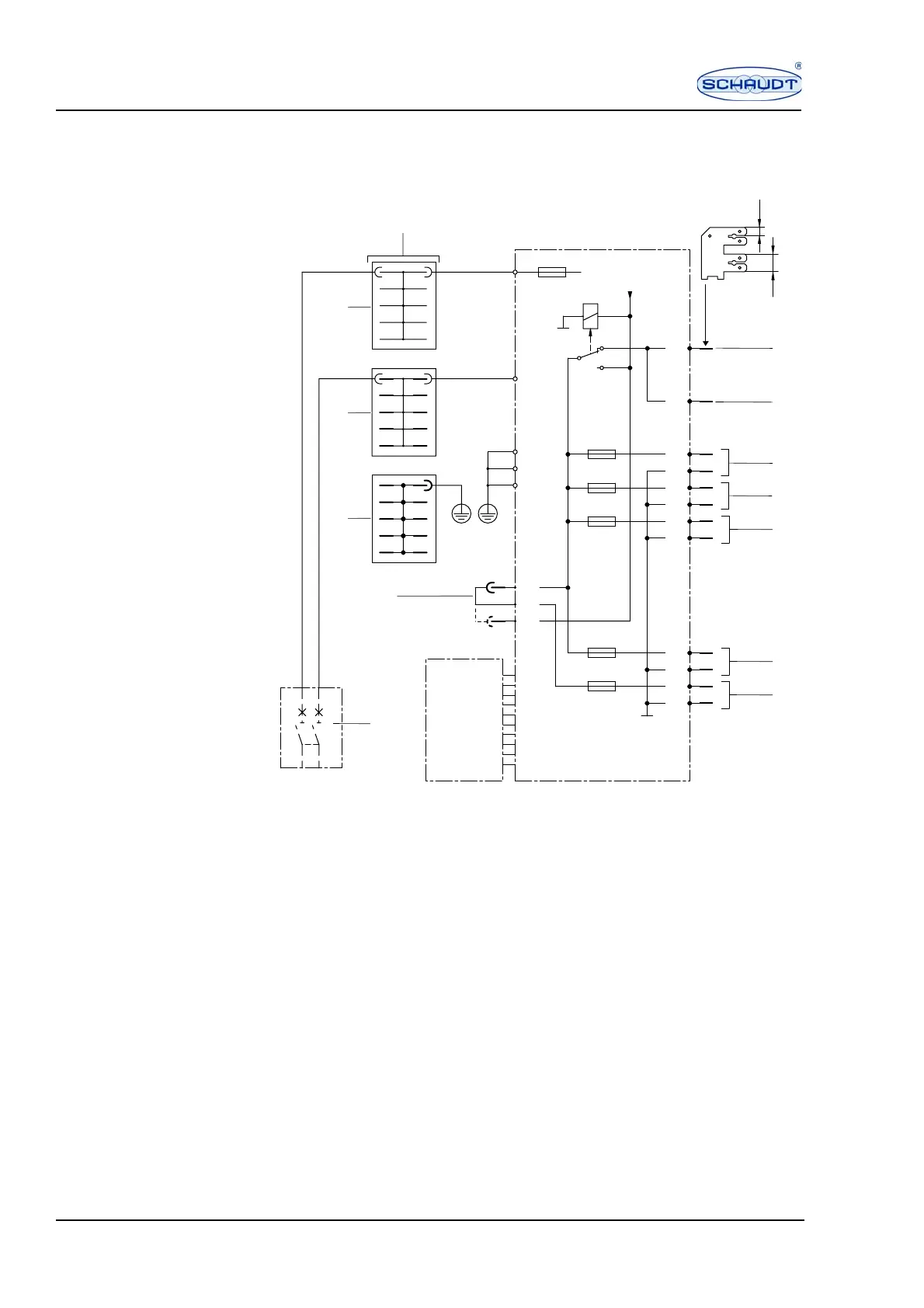
11 Stikalna blok shema – samo za pooblaščeno
delavnico
Slika 2 Stikalna blok shema, naprava za oskrbo z električnim tokom CSV 300,
CSV 300 2B10, CSV 300 2B13 CSV 300-3
1 Dvojni varovalni avtomat ni v obsegu pošiljke (CSV 300 2B10: 10 A,
CSV 300 2B13: 13 A)
2 Jumper:
A22 - A24: Krog 5/Svetilka pred: omrežne napetosti
A24 - A23: Krog 5/Svetilka pred: vozilo-akumulator/priključna sklopka
3Zaščitni vodnik, rumena/zelena
4 Nevtralni vodnik, modra
5 Zunanji vodnik, rjava
6 230 V omrezni izhod, 8 prostih izhodov, 3 x vtični razdelilnik 6,3 x 0,8 10krat
7 Vozilo-akumulator/priključna sklopka (ekst. varovalka max. 15 A)
8 Vozilo-akumulator/priključna sklopka (ekst. varovalka max. 15 A)
9 12 V izhod, krog 1
10 12 V izhod, krog 2
11 12 V izhod, krog 3
12 12 V izhod, krog 4
13 12 V izhod, krog 5/Svetilka pred
!
!
!
!
!


6

!
!
!
!
!
!
!
!
!
!
!
!
!
!
!
#36 
6!
3#36 
!
!
!
!
!
6^(Z




6'7
#36 "
#36 "
#36 

Related product manuals