EasyManua.ls Logo

Schaudt CSV 300-2 - Schéma Fonctionnel - Uniquement Pour Atelier Spécialisé

Schaudt CSV 300-2
Print Icon
To Next Page IconTo Next Page
To Next Page IconTo Next Page
To Previous Page IconTo Previous Page
To Previous Page IconTo Previous Page
Loading...
8 Situation en : 25.11.2009 805.031 BA / FR
Manuel d’utilisation appareil d’alimentation électrique CSV 300
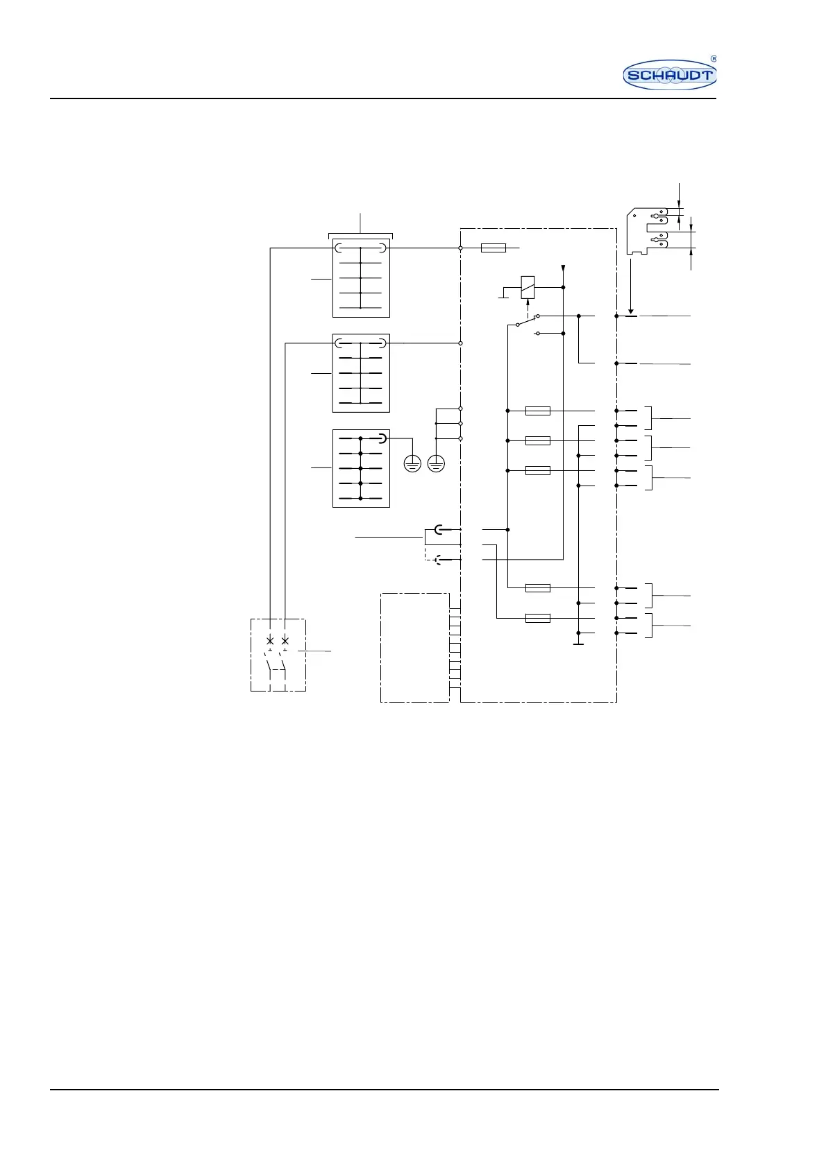
11 Schéma fonctionnel - uniquement pour atelier
spécialisé
Fig. 2 Schéma fonctionnel appareil d’alimentation électrique CSV 300,
CSV 300 2B10, CSV 300 2B13 et CSV 300-3
1 Double coupe-circuit automatique (CSV 300 2B10: 10 A, CSV 300 2B13: 13 A)
2 Jumper:
A22 - A24: Circuit 5/eclairage de l´avancée est alimenté au secteur 230 V
A24 - A23: Circuit 5/eclairage de l´avancée est alimenté au batterie du
véhicule/Accouplement de remorque
3 Conducteur de protection, jaune/vert
4 Conducteur neutre, bleu
5 Conducteur externe, marron
6 Sortie secteur 230 V, 8 sorties libres, 3 x distributeurs à connexion 6,3 x 0,8 10fois
7 Batterie du véhicule/Accouplement de la remorque (protection ext. max. 15 A)
8 Batterie du véhicule/Accouplement de la remorque (protection ext. max. 15 A)
9 Sortie 12 V, circuit 1
10 Sortie 12 V, circuit 2
11 Sortie 12 V, circuit 3
12 Sortie 12 V, circuit 4
13 Sortie 12 V, circuit 5/eclairage de l´avancée
!
!
!
!
!


6

!
!
!
!
!
!
!
!
!
!
!
!
!
!
!
#36 
6!
3#36 
!
!
!
!
!
6^(Z




6'7
#36 "
#36 "
#36 

Related product manuals