EasyManua.ls Logo

Schaudt CSV 300-2 - Page 9

Schaudt CSV 300-2
Print Icon
To Next Page IconTo Next Page
To Next Page IconTo Next Page
To Previous Page IconTo Previous Page
To Previous Page IconTo Previous Page
Loading...
805.030 BA / DE Stand: 01.07.2008 9
Bedienungsanleitung Stromversorgungsgerät CSV 300
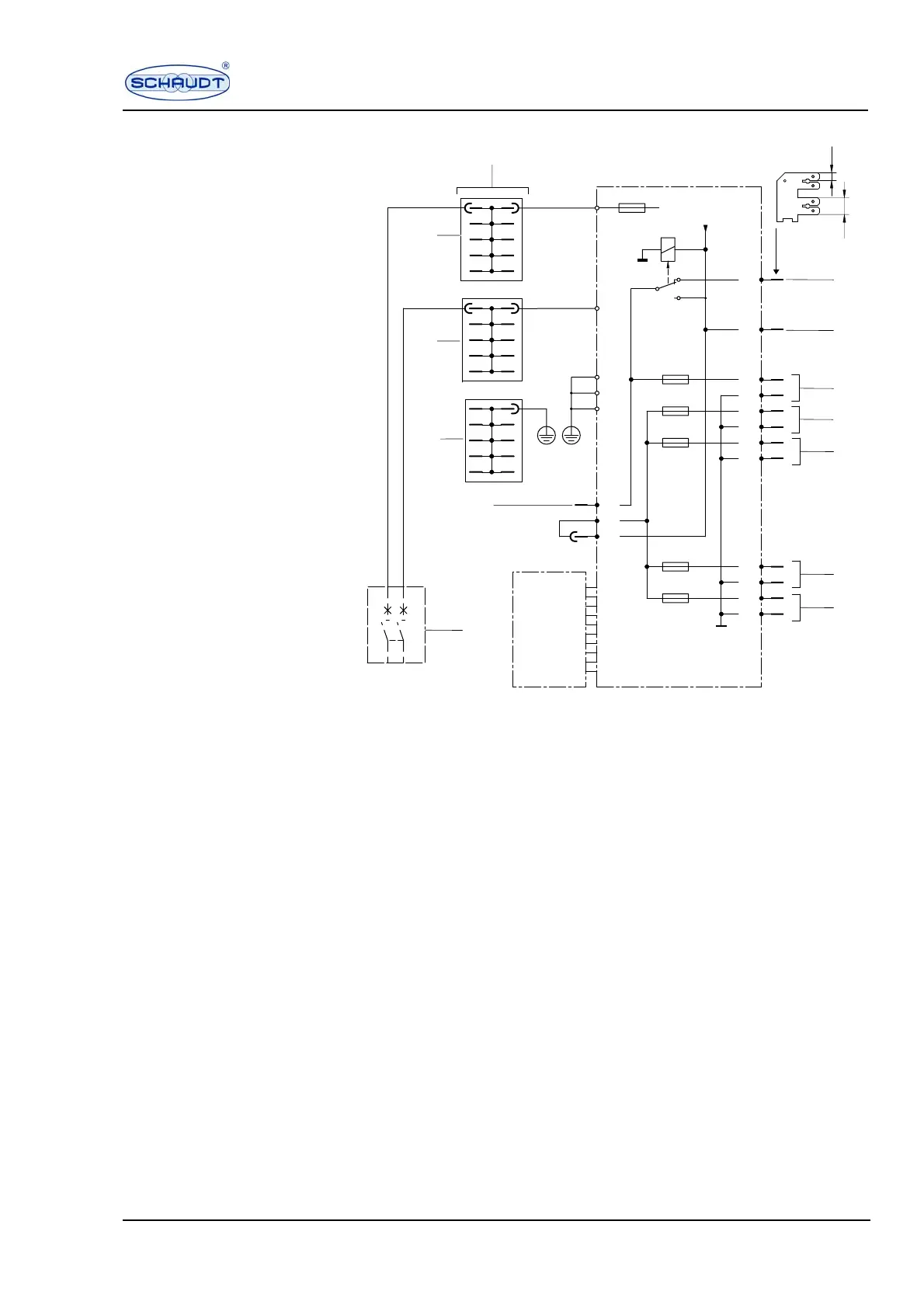
Bild 3 Blockschaltbild Stromversorgungsgerät CSV 300-2
1 Doppel-Sicherungsautomat, nicht im Lieferumfang
2 Brücke auf A22-A24: bei Betrieb mit Zugfahrzeug wird nur Kreis 1 versorgt
Brücke auf A23-A24: bei Betrieb mit Zugfahrzeug werden alle Kreise versorgt
3 Schutzleiter, gelb/grün
4 Neutralleiter, blau
5 Außenleiter, braun
6 230-V-Netzausgang, 8 Ausgänge frei, 3 x Steckverteiler 6,3 x 0,8 10fach
7 Kfz-Batterie/Anhängerkupplung (ext. Absicherung max. 15 A)
8 Netzsignal
9 12-V-Ausgang, Kreis 1
10 12-V-Ausgang, Kreis 2
11 12-V-Ausgang, Kreis 3
12 12-V-Ausgang, Kreis 4
13 12-V-Ausgang, Kreis 5
6,3
2,8
+
-
+
-
+
-
+
-
-
+
24
31
S-CSV 300
230V~50Hz
15A
15A
15A
15A
15A
+12,5V=
A1
A19
A9
A18
A8
A24
A23
A22
A17
A7
A16
A6
A15
A5
A21
A20
CSV 300-2
12,5V=/24A
A12
A11
A3
A1
A2
7
8
9
11
10
12
1
2
3
4
5
6
13
SDT00276

Related product manuals