EasyManua.ls Logo

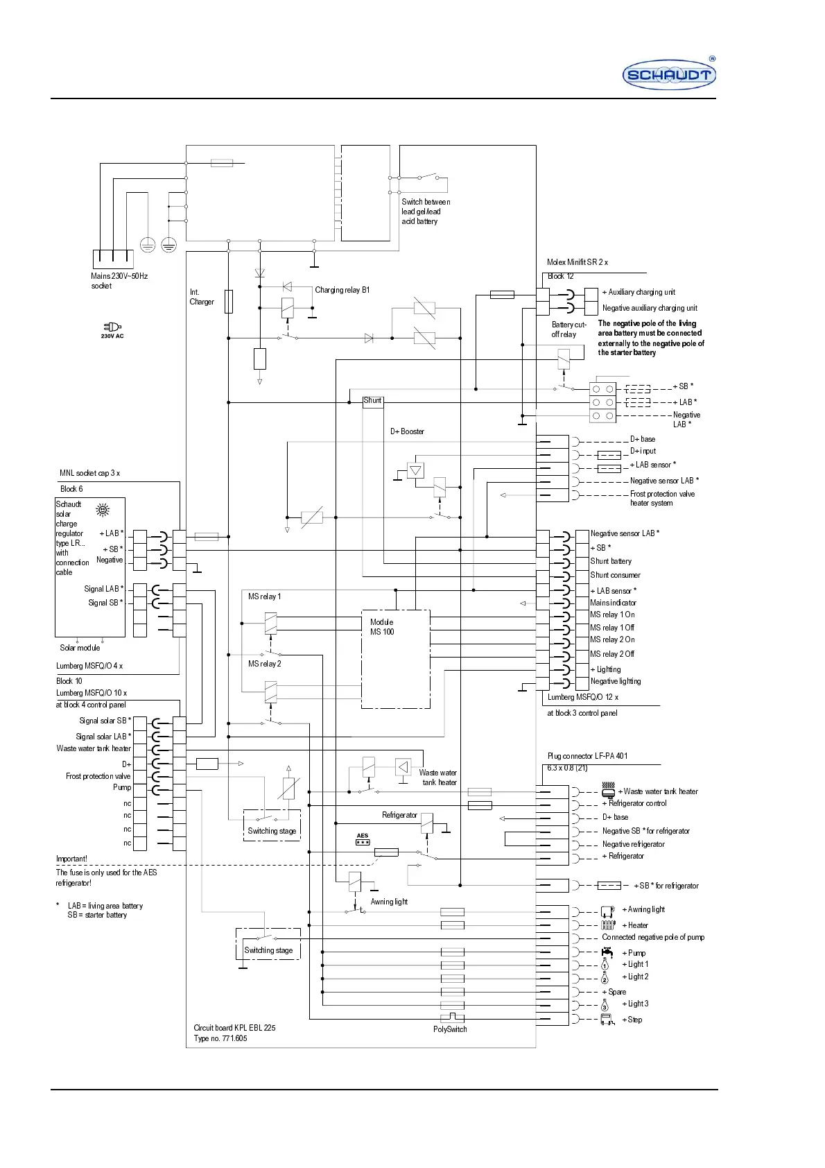
Schaudt EBL 225 - Block diagram - for specialist workshop only

Schaudt EBL 225
14 pages
Print Icon
To Next Page IconTo Next Page
To Next Page IconTo Next Page
To Previous Page IconTo Previous Page
To Previous Page IconTo Previous Page
Loading...
12 Situation: 14.06.2005 SDT-0058-00EN
Instruction Manual Electrobloc EBL 225
12 Block diagram - for specialist workshop only
Fig. 2 Block diagram of Electrobloc EBL 225
16-3
14-1
14-2
13-2
13-1
13-3
13-6
15-6
15-4
15-1
15-2
15-5
13-4
14-3
14-5
13-5
14-6
16-1
16-2
15-3
14-4
10
9
8
5
8
9
10
5
2
4
1
3
7
6
R
3
B
2
B
C
C
9
2A
B
4
5A
17
60A
E
A
11
22
25A
9
12
3
4
8
1
2
5
10
6
7
11
12
9
1
2
3
4
3
2
1
15A
1
2
3
1
2
3
4
7
6
4
1
7,5A
60A
60A
A1
A2
A3
E20-3F
771.535
S 1218-2
A9
A7
A5
A17
A6
A16
A1
A2
A7
A30
771.534
A9
LAS 1218-3
14,3V-18A
A13A6
+
21
2
7
8
1
6
16
13
14
5
11
3
18
12
19
20
15
10
R
20A
3
4
8
1
2
5
10
6
7
11
60A
2A
2A
A
A
E
15A
5A
10A
10A
15A
10A
15A
7,5A
A
A24A8
60A
15A
SDT00275
6ZLWFKEHWZHHQ
OHDGJHOOHDG
DFLGEDWWHU\
0ROH[0LQLILW65[
0DLQV9a+]
VRFNHW
%ORFN
&KDUJLQJUHOD\%
,QW
&KDUJHU
$X[LOLDU\FKDUJLQJXQLW
1HJDWLYHDX[LOLDU\FKDUJLQJXQLW
%DWWHU\FXW
RIIUHOD\
7KHQHJDWLYHSROHRIWKHOLYLQJ
DUHDEDWWHU\PXVWEHFRQQHFWHG
H[WHUQDOO\WRWKHQHJDWLYHSROHRI
WKHVWDUWHUEDWWHU\
6%
6KXQW
/$%
1HJDWLYH
/$%
'%RRVWHU
'EDVH
'LQSXW
/$%VHQVRU
01/VRFNHWFDS[
1HJDWLYHVHQVRU/$%
%OR F N
)URVWSURWHFWLRQYDOYH
KHDWHUV\VWHP
6FKDXGW
VRODU
FKDUJH
UHJXODWRU
W\SH/5
ZLWK
FRQQHFWLRQ
FDEOH
/$% 1HJDWLYHVHQVRU/$%
6%
6%
1HJDWLYH
6KXQWEDWWHU\
6KXQWFRQVXPHU
6LJQDO/$%
/$%VHQVRU
06UHOD\
6LJQDO6% 0DLQVLQGLFDWRU
06UHOD\2Q
0RGXOH
06
06UHOD\2II
06UHOD\2Q
6RODUPRGXOH
06UHOD\2II
06UHOD\
/XPEHUJ06)42[
/LJKWLQJ
%ORFN 1HJDWLYHOLJKWLQJ
/XPEHUJ06)42[
/XPEHUJ06)42[
DWEORFNFRQWUROSDQHO
DWEORFNFRQWUROSDQHO
6LJQDOVRODU6%
6LJQDOVRODU/$%
:DVWHZDWHUWDQNKHDWHU
3OXJFRQQHFWRU/)3$
'
[
:DVWHZDWHU
WDQNKHDWHU
)URVWSURWHFWLRQYDOYH
3XPS
:DVWHZDWHUWDQNKHDWHU
QF 5HIULJHUDWRUFRQWURO
QF 5HIULJHUDWRU
'EDVH
QF
6ZLWFKLQJVWDJH
1HJDWLYH6%IRUUHIULJHUDWRU
QF
1HJDWLYHUHIULJHUDWRU
5HIULJHUDWRU
,PSRUWDQW
7KHIXVHLVRQO\XVHGIRUWKH$(6
UHIULJHUDWRU
6%IRUUHIULJHUDWRU
$ZQLQJOLJKW
/$% OLYLQJDUHDEDWWHU\
6% VWDUWHUEDWWHU\
$ZQLQJOLJKW
+HDWHU
&RQQHFWHGQHJDWLYHSROHRISXPS
6ZLWFKLQJVWDJH
3XPS
/LJKW
/LJKW
6SDUH
/LJKW
6WHS
&LUFXLWERDUG.3/(%/
7\SHQR
3RO\6ZLWFK

Related product manuals