EasyManua.ls Logo

Schaudt LT 320 - Connecting to SDTBUS Bus Systems; LR 1218 with LT 320

Schaudt LT 320
16 pages
Print Icon
To Next Page IconTo Next Page
To Next Page IconTo Next Page
To Previous Page IconTo Previous Page
To Previous Page IconTo Previous Page
Loading...
Installation Instructions Solar systems (controller and panel)
14
Date: 20.09.2018 9990314 MA / EN
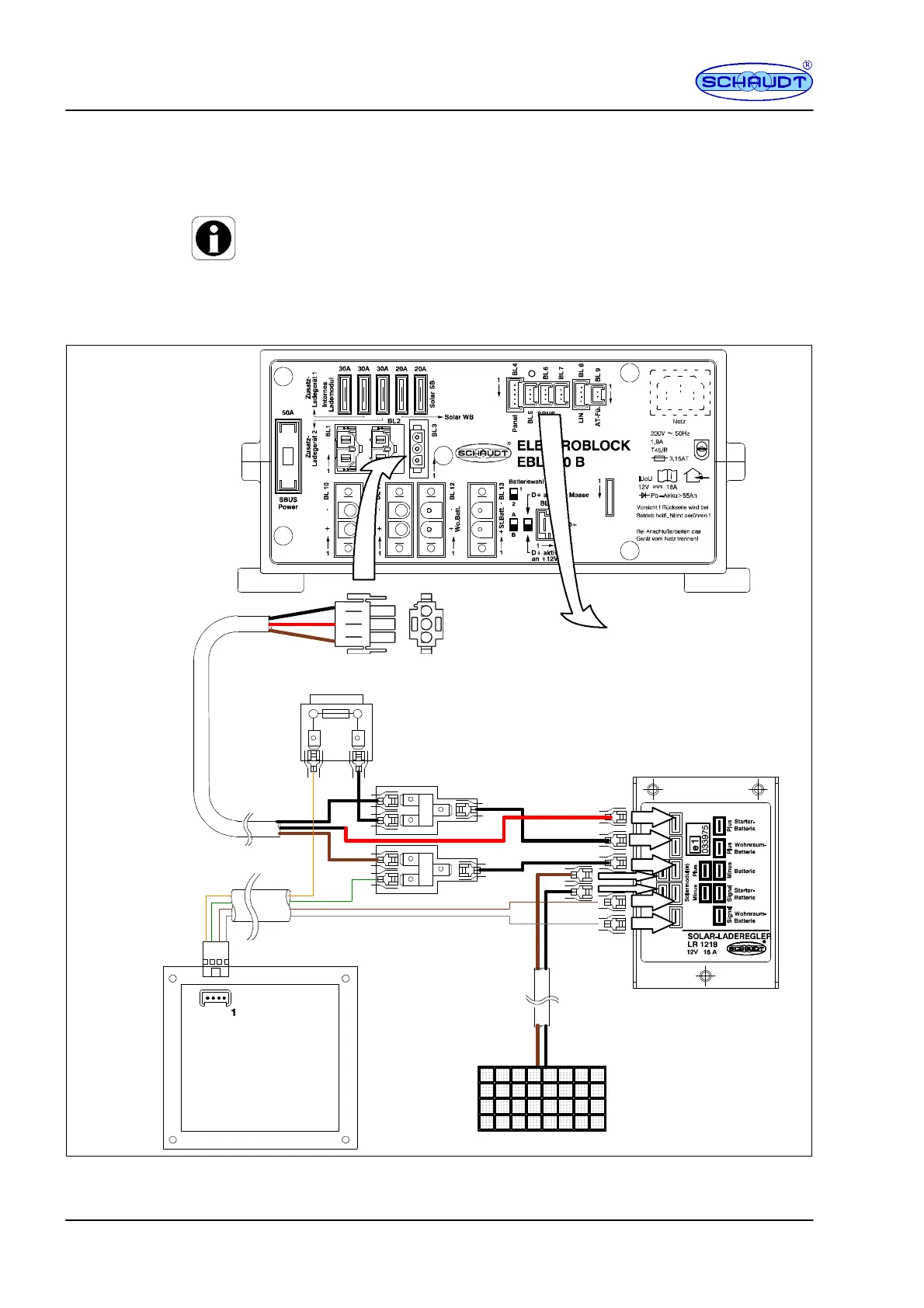
7 Connecting to SDTBUS bus systems
7.1 LR 1218 with LT 320
Y When the LR 1218 is used on bus systems, display of the solar power
from the main control and display panel is NOT possible, even if it sup-
ports a solar power display. The display on the main panel can only be
activated from the SDTBUS. This is only possible using the LRM 1218
solar regulator.
Set 9990219 (LR 1218 with connector material) is required.
F
LR 1218
LT 320
White
Yellow
Green
Brown
1A
Rear
Solar module(s)
--+
--
+
--+
3
2
1
Red
Brown
Brown
Black
Red
Black
SDTBUS to
panel and bus modules
Part no. 9340142
Part no. 9340202
Part nos. 1320114 + 1320151
Fig. 9 LT 320 and LR1218 to Schaudt bus-compatible EBL with 3-pin solar regulator con-
nector