EasyManua.ls Logo

Schaudt LT 320 - Connecting LT 320 with LR 1218; LR 1218 with Third Party System

Schaudt LT 320
16 pages
Print Icon
To Next Page IconTo Next Page
To Next Page IconTo Next Page
To Previous Page IconTo Previous Page
To Previous Page IconTo Previous Page
Loading...
Installation Instructions Solar systems (controller and panel)
6
Date: 20.09.2018 9990314 MA / EN
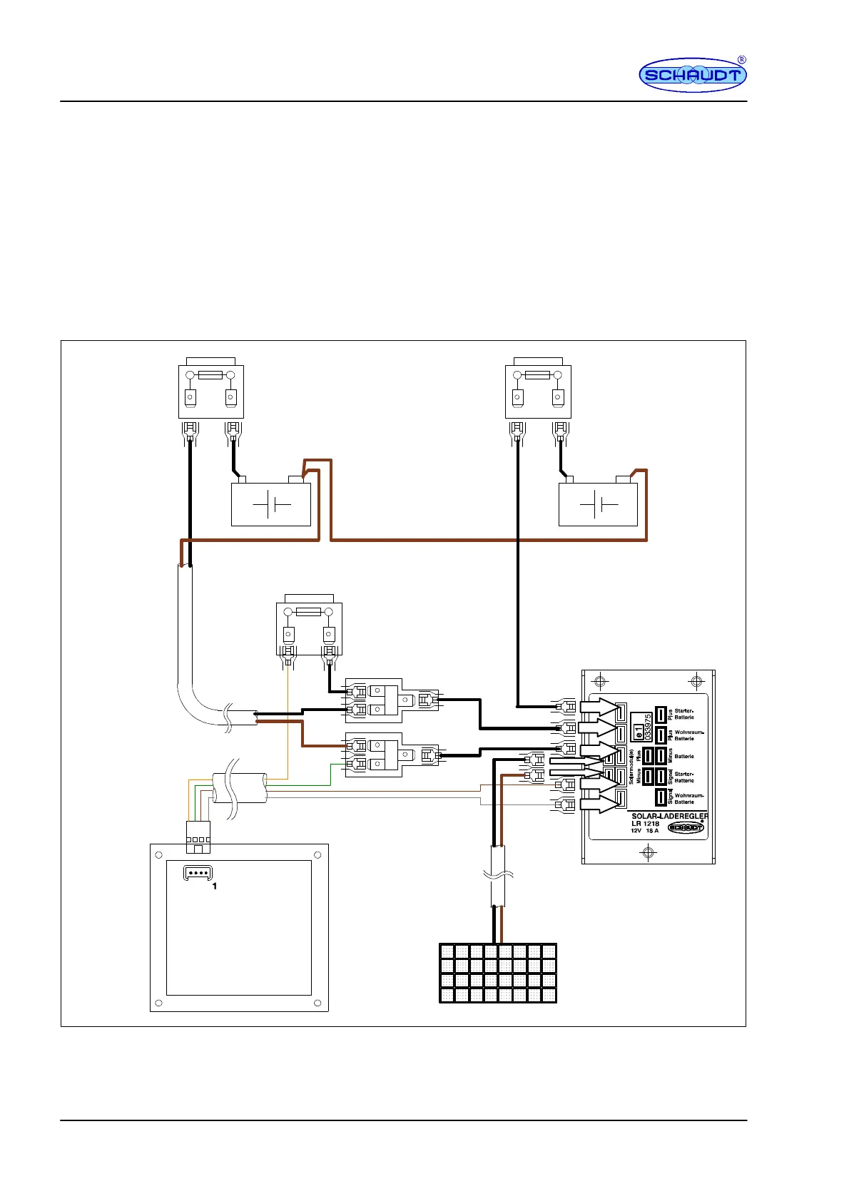
5 Connecting the LT 320 in con ju n ctio n with LR 1218
The following sets are required for the connection variants in Sections 5.1 to
5.3:
F Part no. 9990219: LR 1218 with connector material
F Part no. 9990298: LT 320 with connector material
Only set 9990219 is required for the connection variant in Section 5.4.
5.1 LR 1218 and third party system
F
LR 1218
LT 320
White
Yellow
Green
Brown
+--
Leisure area
battery
1A
Rear
+--
Starter
battery
F
20 A
F
20 A
Solar module(s)
--+
--
+
--
+
+
--
+
--
--+
Part nos. 1320114 + 1320151
Part nos. 1320114 + 1320159 Part nos. 1320114 + 1320159
2 x part no. 1450301
2 x part no. 9340205
Part no. 9340202
Fig. 1 LT 320 and LR1218 for third party system
The cables between the batteries and Y distributors, and solar module(s)
and their connector cables, are not included in the delivery.