EasyManua.ls Logo

Schaudt LT 320 - LR 1218 with Schaudt EBLs (3-Pin Connector)

Schaudt LT 320
16 pages
Print Icon
To Next Page IconTo Next Page
To Next Page IconTo Next Page
To Previous Page IconTo Previous Page
To Previous Page IconTo Previous Page
Loading...
Installation Instructions Solar systems (controller and panel)
7
Date: 20.09.2018
9990314 MA / EN
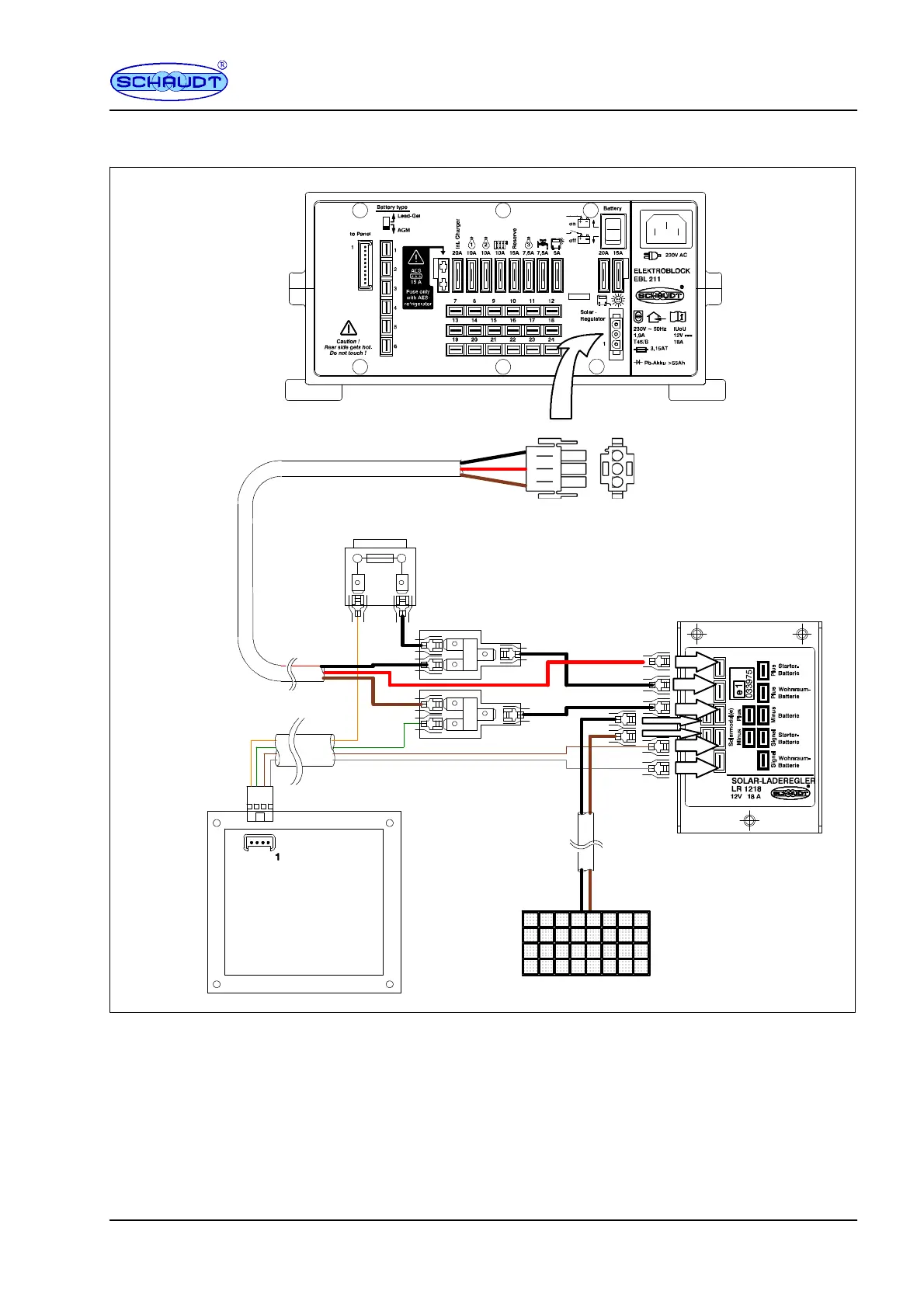
5.2 LR 1218 and Schaudt EBLs with 3-pin solar connector
F
LR 1218
LT 320
White
Yellow
Green
Brown
1A
Rear
Solar module(s)
--+
--
+
--+
3
2
1
RedBrown
Brown
Black
Red
Black
2 x part no. 1450301
Part nos. 1320114 + 1320151
Part no. 9340142
2 x part no. 9340205
Part no. 9340202
Fig. 2 LT 320 and LR1218 to Schaudt EBL with 3-pin solar regulator connector
Solar module(s) and their connector cables are not included in the delivery.