EasyManua.ls Logo

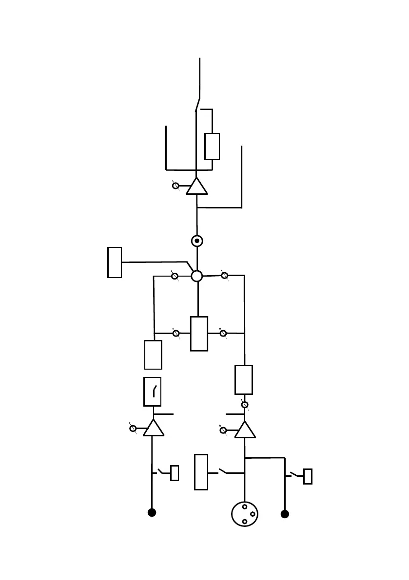
Schertler DAVID X - Signal Flow and Technical Data; Signal Flow Diagram

Schertler DAVID X
16 pages
Print Icon
To Next Page IconTo Next Page
To Next Page IconTo Next Page
To Previous Page IconTo Previous Page
To Previous Page IconTo Previous Page
Loading...
ACOUSTIC XAMPS
SIGNAL FLOW
WARM
3B EQ.
REVERB
MASTER
GAIN
TO DI OUT
TO LINE OUT
TO AMP
PHANTOM
P24
XLR
JACK
10V
INSERT
RESON
3B EQ.
GAIN
JACK
+
STEREO IN
LOW CUT
OL
OL
10V

Other manuals for Schertler DAVID X

Related product manuals