EasyManua.ls Logo

Schmidt MV3 - Abrasive Blast System General Operation

Schmidt MV3
79 pages
Print Icon
To Next Page IconTo Next Page
To Next Page IconTo Next Page
To Previous Page IconTo Previous Page
To Previous Page IconTo Previous Page
Loading...
26
Copyright © 2021 Axxiom Manufacturing, Inc.
The function of the Schmidt® abrasive blaster is to provide a mixture of dry abrasive and compressed
air to a blast nozzle. The abrasive blast stream through the blast nozzle is used for removing rust, paint,
or other unwanted surface defects. After abrasive blasting, the surface is ready for new paint or coating.
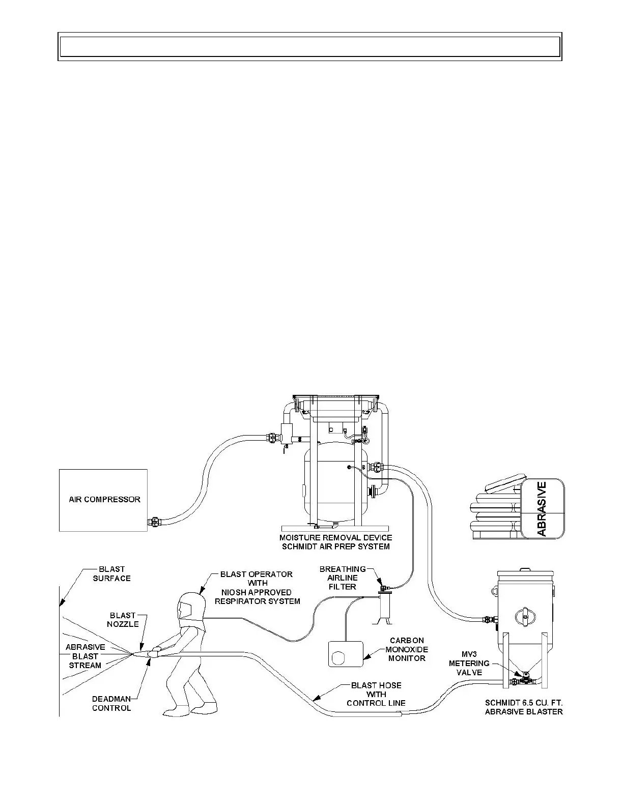
An abrasive blaster is one of a group of components used in an abrasive blasting job. The typical
components are an air compressor, moisture removal device, an abrasive blaster, blast hose, a blast
nozzle, operator personal protective equipment, and blast abrasive. See Figure 4.1.
The blast abrasive is loaded into the abrasive blaster through the abrasive inlet at the top of the blaster.
All the compressed air must be removed from inside the abrasive blaster before it can be filled with
abrasive. The abrasive can be bag loaded or loaded from a Schmidt storage hopper. To begin blasting,
the abrasive inlet is closed, and the abrasive blaster is filled with compressed air from the air
compressor. Since moisture creates problems in the blast operation, it is common for the compressed
air to be fed through a moisture removal device, such as a Schmidt AirPrep System. The air pressure in
the abrasive blast vessel is equal to the air pressure in the blast hose where it connects at the metering
valve. This equal pressure is needed to allow the blast abrasive to flow downward by gravity. The
abrasive flow is controlled by the metering valve at the bottom of the blaster. From the metering valve
the blast abrasive flows into the blast air stream and through the blast hose. The speed of blast air and
abrasive mixture is greatly increased by the blast nozzle onto the work surface. The high speed of the
air and abrasive is what gives it the energy to blast rust and paint from work surfaces. The abrasive
blast stream and the dust it creates are harmful; therefore, all blast operators must use personal
protective equipment during the blast operation.
All the components required for the blast operation (except for the air compressor) are available from
Axxiom Manufacturing, Inc. Call Axxiom to locate a distributor.
Figure 4.1 Typical Abrasive Blast System

Related product manuals