EasyManua.ls Logo

Schulz SRS 20 - Page 17

Schulz SRS 20
Print Icon
To Next Page IconTo Next Page
To Next Page IconTo Next Page
To Previous Page IconTo Previous Page
To Previous Page IconTo Previous Page
Loading...
17
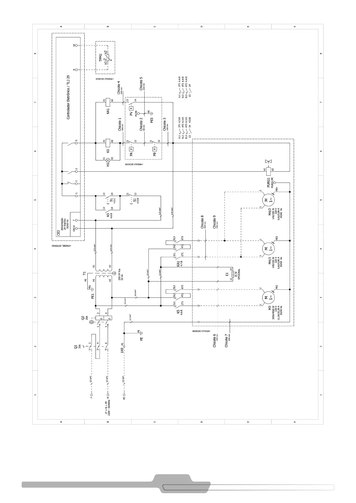
FIGURA 9.7 - DIAGRAMA ELÉTRICO SRS 450/600
Nota: O compressor de refrigeração é equipado com proteção térmica por sobrecorrente.

Table of Contents

Related product manuals