EasyManua.ls Logo

Schulz SRS 20 - Page 53

Schulz SRS 20
Print Icon
To Next Page IconTo Next Page
To Next Page IconTo Next Page
To Previous Page IconTo Previous Page
To Previous Page IconTo Previous Page
Loading...
53
Nota: El compresor de refrigeración está equipado con protección térmica por sobrecaraga de energía.
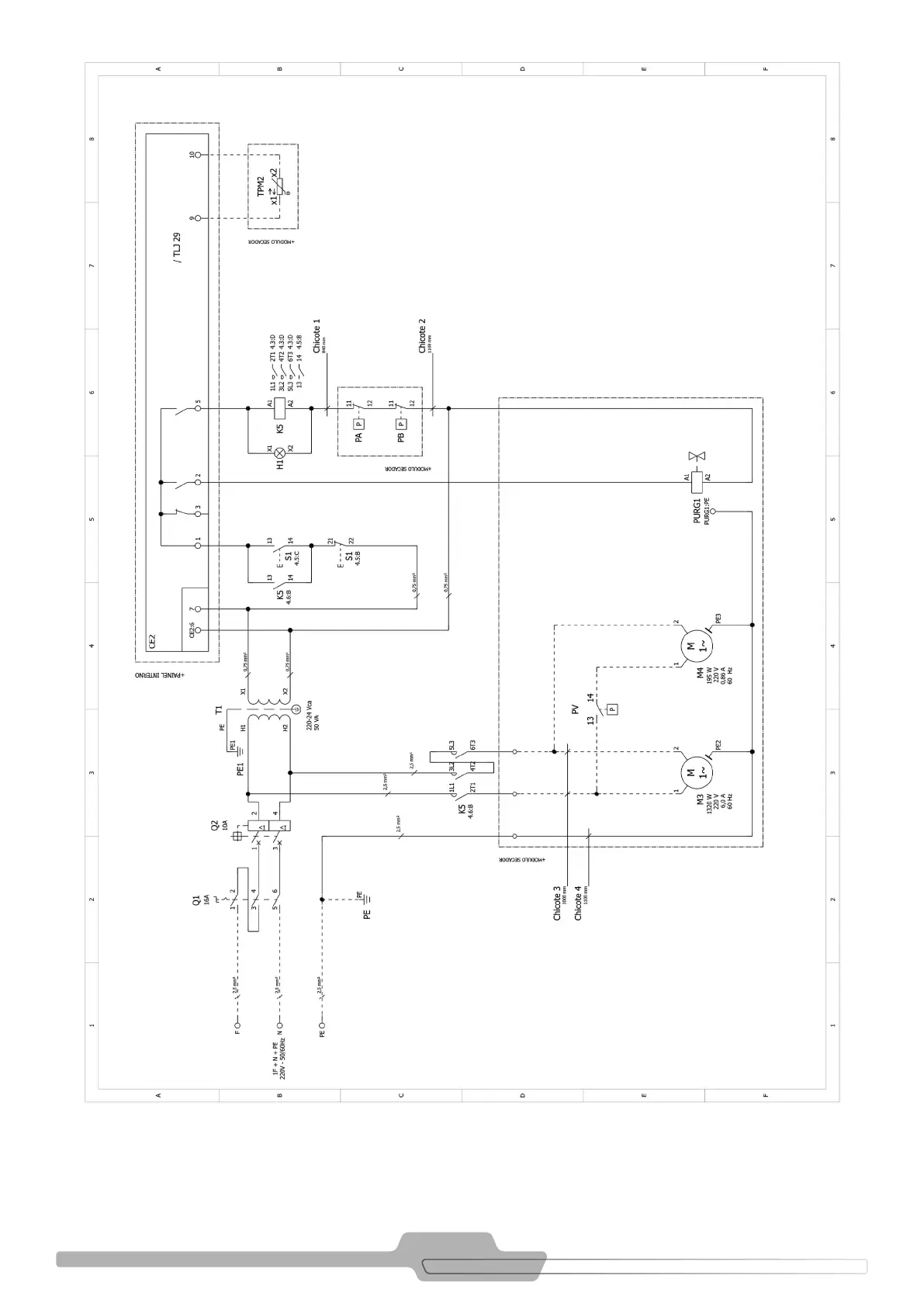
FIGURA 9.4 - DIAGRAMA ELÉCTRICO SRS 170 / 190 / 240
Controlador Electronico
Alimentación
24 Vca/Vcc
50/60 Hz

Table of Contents

Related product manuals