EasyManua.ls Logo

Schulz SRS 20 - Page 68

Schulz SRS 20
Print Icon
To Next Page IconTo Next Page
To Next Page IconTo Next Page
To Previous Page IconTo Previous Page
To Previous Page IconTo Previous Page
Loading...
68
CONTINUIDAD
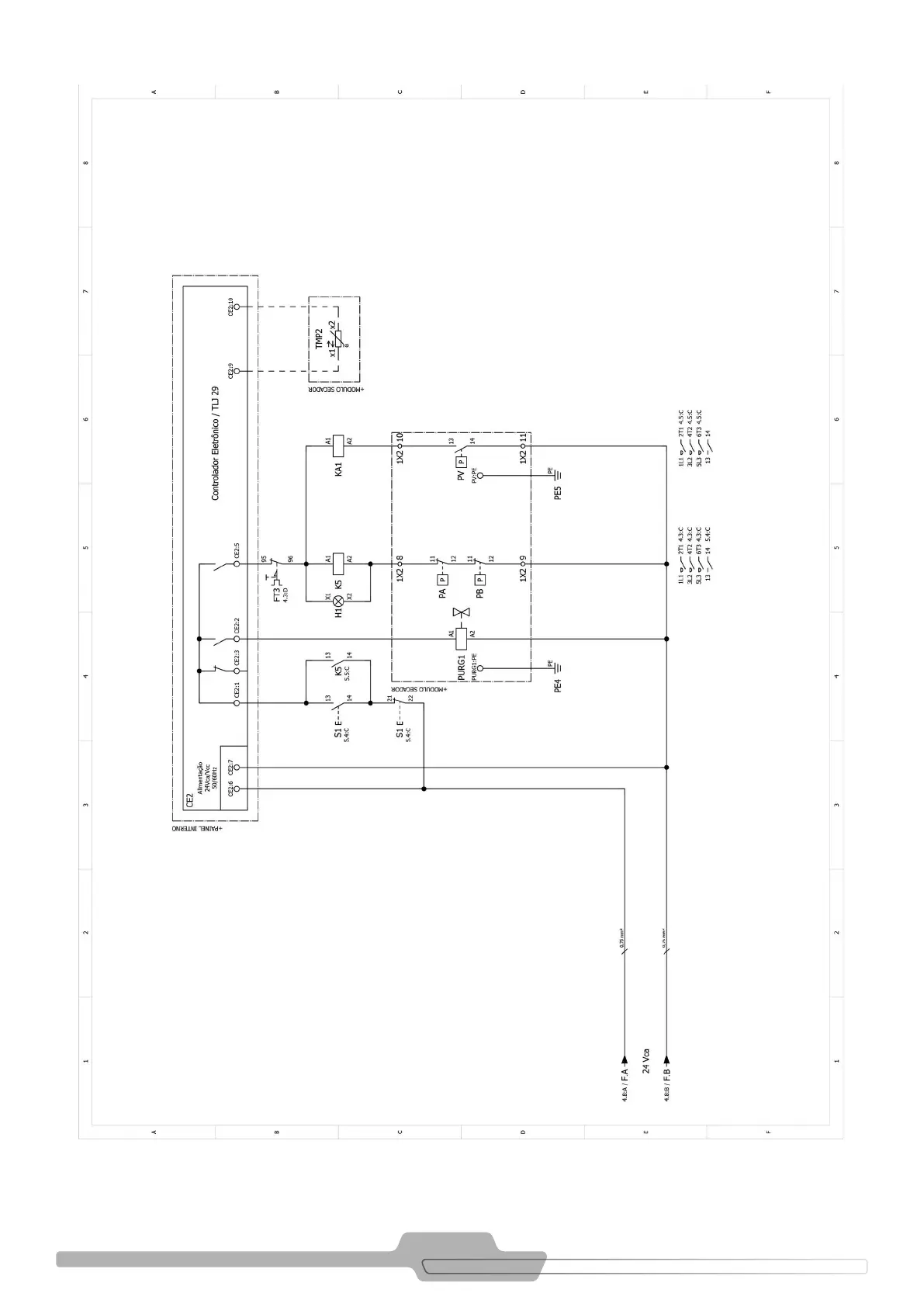
FIGURA 9.10 - DIAGRAMA ELÉCTRICO 440V SRS 1300
Nota: El compresor de refrigeración está equipado con protección térmica por sobrecaraga de energía

Table of Contents

Related product manuals