EasyManua.ls Logo

Schulz SRS 20 - Page 92

Schulz SRS 20
Print Icon
To Next Page IconTo Next Page
To Next Page IconTo Next Page
To Previous Page IconTo Previous Page
To Previous Page IconTo Previous Page
Loading...
92
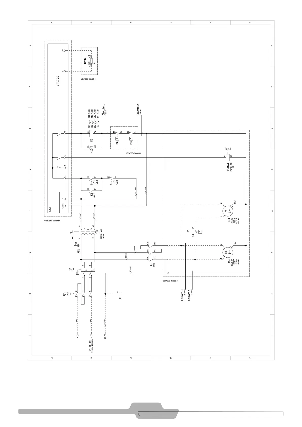
Note: The refrigeration compressor is equipped with protection for overload.
FIGURE 9.4 - ELECTRICAL DIAGRAM SRS 170 / 190 / 240
Electronic Controller
Current
24 Vca/Vcc
50/60 Hz

Table of Contents

Related product manuals