EasyManua.ls Logo

SCHUNK KSC 125 - Gamma DI Morsetti

SCHUNK KSC 125
Print Icon
To Next Page IconTo Next Page
To Next Page IconTo Next Page
To Previous Page IconTo Previous Page
To Previous Page IconTo Previous Page
Loading...
_________________________________________________________________________________________
schunk.com XND.00020.002_B 06/2020 8
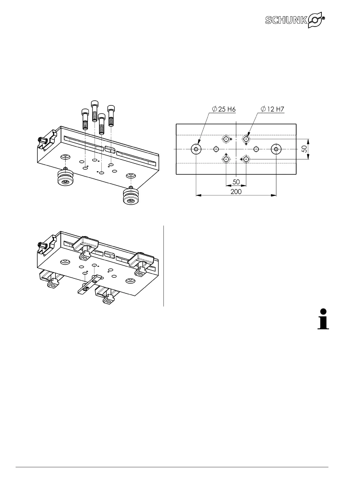
KSC 125 L-300
Nella versione base sono disponibili le seguenti interfacce:
Quattro fori di posizionamento Ø12 H7 nell'interasse di 50 mm, per il posizionamento e il
fissaggio su piastre con reticolo da 50 e tavole con scanalatura a T con viti calibrate Ø12 f7/M12 o
cilindriche M12.
Foro di alloggiamento Ø25 H6 per l'alloggiamento del perno di serraggio VERO-S.
KSC 125 L-235 / L-300
Scanalature longitudinali laterali per il fissaggio
con staffe di serraggio.
Allineamento trasversale possibile con set di
allineamento e centraggio in scanalatura a T.
KSC può essere realizzato in fabbrica anche con fori di posizionamento e fissaggio
personalizzati nonché alloggiamenti per diversi sistemi di serraggio a punto zero presenti
sul mercato.
Per ulteriori dati e accessori, vedi catalogo >> Tecnica di serraggio stazionario Schunk <<
4.2 Gamma di morsetti
Il funzionamento affidabile del dispositivo di serraggio viene influenzato in misura determinante
dalla scelta corretta della ganascia riportata.
Per ulteriori dati, vedi catalogo >> Tecnica di serraggio stazionario Schunk <<

Table of Contents

Related product manuals