EasyManua.ls Logo

Schweitzer Engineering Laboratories SEL-787-2 - Functional Overview

Schweitzer Engineering Laboratories SEL-787-2
40 pages
Print Icon
To Next Page IconTo Next Page
To Next Page IconTo Next Page
To Previous Page IconTo Previous Page
To Previous Page IconTo Previous Page
Loading...
Schweitzer Engineering Laboratories, Inc. SEL-787-2, -3, -4 Data Sheet
5
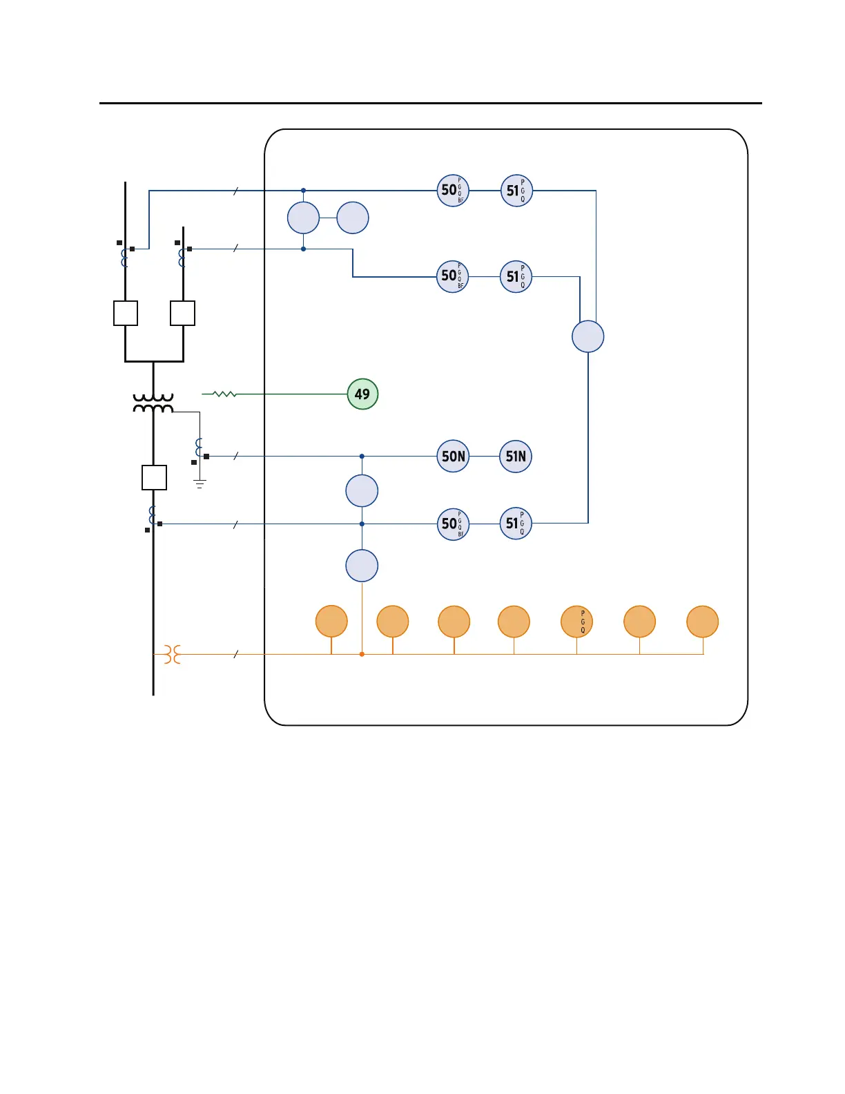
Functional Overview
Figure 1 SEL-787-3E Functional Diagram
3
3
3
1
Temperature Alarm
and Trip
SEL-787-3E Transformer Protection Relay
52
52
Overcurrent
• Phase
• Ground
• Neg-Seq
• Breaker Failure
Time-Overcurrent
• Phase
• Ground
• Neq-Seq
Combined
Time-
Overcurrent
• Phase
• Ground
Overcurrent
• Phase
• Ground
• Neg-Seq
• Breaker Failure
Time-Overcurrent
• Phase
• Ground
• Neg-Seq
• Sequential Events Recorder
• Event Reports
• Web Server
• SEL, Ethernet*, Modbus RTU, Modbus TCP/IP*,
DNP3 serial*, DNP3 LAN/WAN*, FTP*, Telnet*, SNTP*,
IEEE 1588-2008 firmware-based PTP*, IEC 61850 Edition 2*,
IEC 60870-5-103*, EtherNet/IP*, PRP*, Event Messenger,
DeviceNet* Communications
• Synchrophasor Data and IEEE C37.118-2005 Compliant
Protocol
• Two Inputs and Three Outputs Standard
• I/O Expansion*--Additional Contact Inputs/Outputs, Analog
Inputs/Outputs, and RTD Inputs
• Single or Dual Ethernet Copper or Fiber-Optic
Communications Port*
Σ
5151
P
G
8787
Overcurrent
• Phase
• Ground
• Neg-Seq
• Breaker Failure
Time-Overcurrent
• Phase
• Ground
• Neg-Seq
Overcurrent
Time-Overcurrent
3232
2424
8181
O
U
Volts/Hertz
Frequency
• Over
• Under
LOPLOP
27P27P
5959
Restricted
Earth Fault
Directional
Power
Loss of Potential
Undervoltage
Overvoltage
• Phase
• Ground
• Neg-Seq
• Breaker Failure
Current
Differential
3
52
• Battery-Backed Clock, IRIG-B Time Synchronization
• Instantaneous, Differential, Harmonic, and RMS
Metering
• Programmable Pushbuttons and LED Indicators
• Through-Fault Monitoring
• Transformer Thermal Monitoring
• Circuit Breaker Contact Wear Monitor
• Advanced SEL
OGIC Control Equations
• 32 Programmable Display Messages
• M
IRRORED BITS Communications
• Front-Panel Programmable Tricolor LED Targets
• Front-Panel HMI With 2 x 16-Character LCD
• 5-Inch, Color, 800 x 480-Pixel Touchscreen Display*
*Optional Functions
Internal or External
RTD Input
27I27I
59I59I
Inverse-Time
Overvoltage
Inverse-Time
Undervoltage
REFREF

Related product manuals