EasyManua.ls Logo

Schwinn 490e - Electrical Wiring

Schwinn 490e
86 pages
Print Icon
To Next Page IconTo Next Page
To Next Page IconTo Next Page
To Previous Page IconTo Previous Page
To Previous Page IconTo Previous Page
Loading...
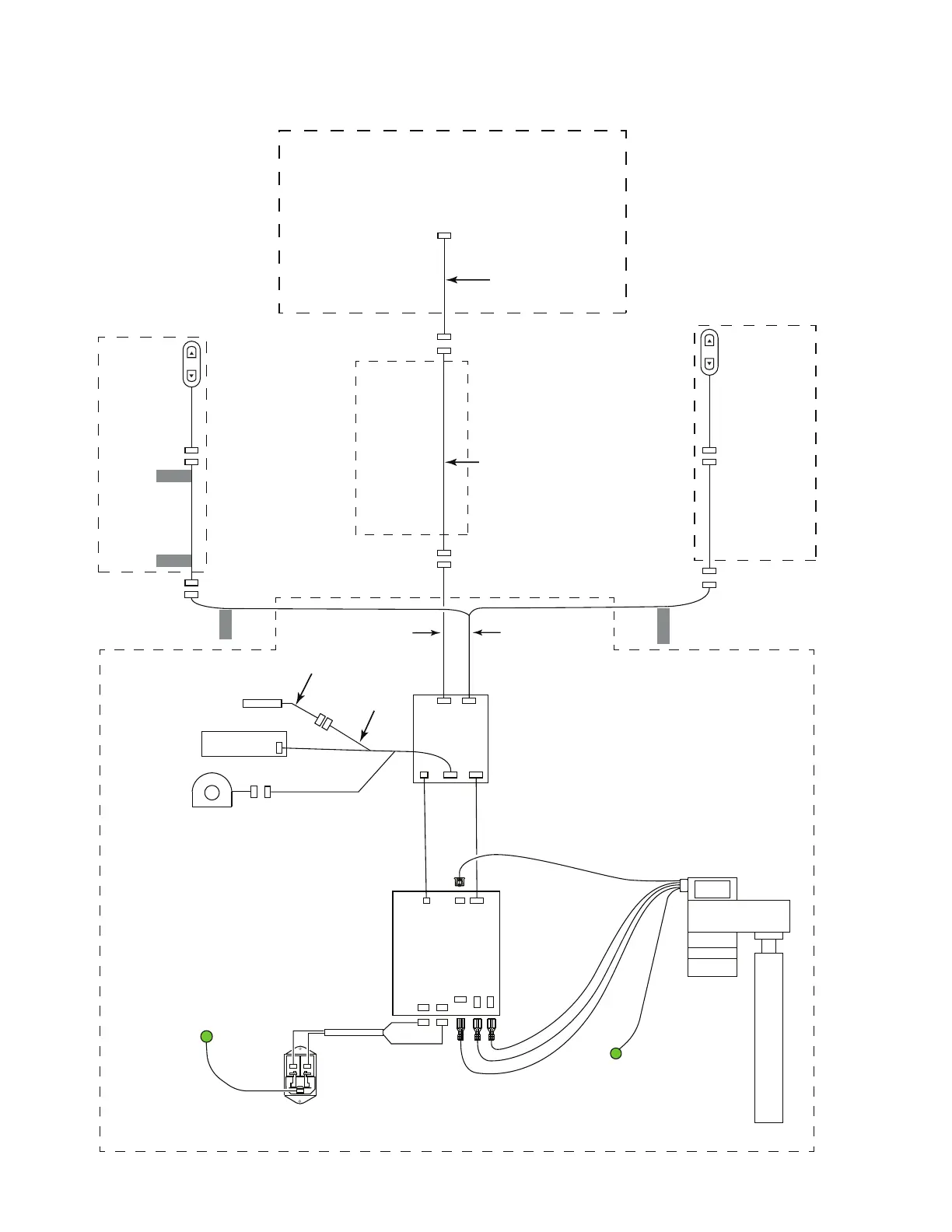
17
SENSOR HUB
SERVO
Resistance Sensor
Speed Sensor
SUB ASSY, ENGINE
WIRE ASSY, SPLIT CBL
RESISTANCE SENS, SPEED
SENSOR, & SERVO
HANDLE BAR BUTTONS
CABLE ASSEMBLY, HUB
to MAST HARNESS
CONSOLE MAST
HANDLEBAR RIGHT
ASSY, CABLE/PCBA,
REMOTE BUTTON
- RESISTANCE
HANDLEBAR, LEFT
CONSOLE
ASSY, CABLE/PCBA,
REMOTE BUTTON
- INCLINE
WIRE ASSY - INCLINE
WIRE ASSY - RESISTANCE
WIRE, CABLE ASSY,
CONSOLE MAST
WIRE ASSY, CONSOLE TO MAST
CABLE, SPEED SENSOR
UP
DOWN
LEFT
RIGHT
LIFT CONTROL / POSITION
DC POWER
GND
CABLE, CONNECTOR WIRE POWER
RED
BLACK
WHITE
BLUE
BROWN
GND
LIFT MOTOR
SENSOR HUB
LIFT MOTOR CONTROL
OFFLINE POWER SUPPLY
BLUE
BROWN
SWITCH
INLET
HANDLE BAR BUTTONS
ELECTRICAL WIRING

Related product manuals