EasyManua.ls Logo

Scotsman 05566 - MF 66 Diagrams; Operational Faults and Noises

Scotsman 05566
42 pages
Print Icon
To Next Page IconTo Next Page
To Next Page IconTo Next Page
To Previous Page IconTo Previous Page
To Previous Page IconTo Previous Page
Loading...
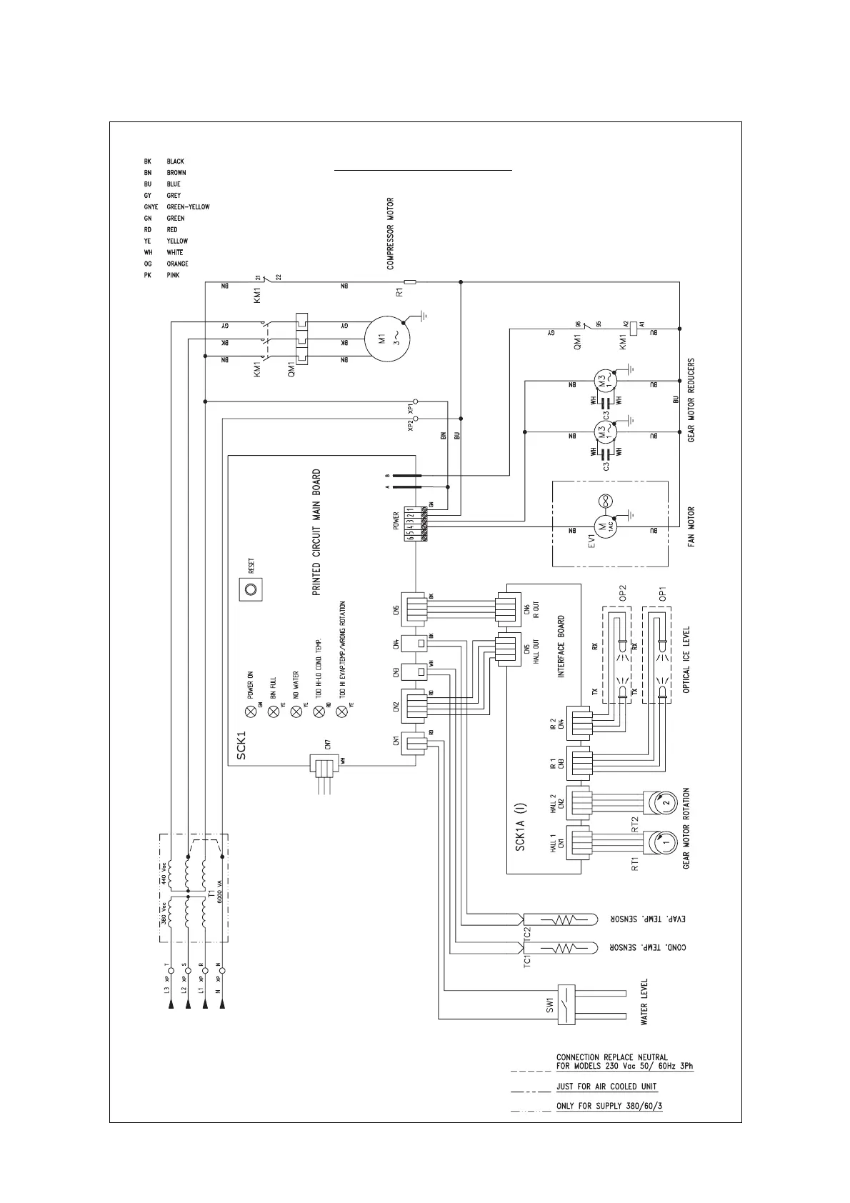
WIRING DIAGRAM MF 66
AIR AND WATER COOLED
THREE PHASE
Page 36

Related product manuals