EasyManua.ls Logo

Scotsman AF80 AS - Operating Instructions; Start Up Procedure

Scotsman AF80 AS
37 pages
Print Icon
To Next Page IconTo Next Page
To Next Page IconTo Next Page
To Previous Page IconTo Previous Page
To Previous Page IconTo Previous Page
Loading...
Page 16
Page 16
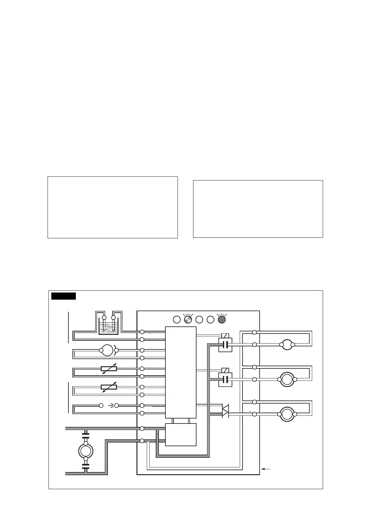
2
1
L
N
COMPRESSOR
9
10
11
12
13
3
4
5
6
7
8
CONTACTOR COIL
GEAR MOTOR
FAN MOTOR
ELECTRONIC
CARD
RELAYS
TRIAC
RESET
S E N S O R S
DATA PROCESSOR
WATER
LEVEL
GEAR MOTOR ROTATION
CONDENSER TEMP.
EVAPORATOR TEMP.
ICE LEVEL CONTROL
TRANSF.
T>1°C
OPERATING INSTRUCTIONS
B. Elapsed the 3 minutes - stand by period - the
unit starts operating with the activation in
sequence of the following assemblies:
GEAR MOTOR
COMPRESSOR
FAN MOTOR (if unit is an air cooled version)
kept under control by the condenser temperatu-
re sensor which has its probe within the condenser
fins (Fig.2).
C. After 2 or 3 minutes from the compressor
start up, observe that flaker ice begins dropping
off the ice spout to fall into the storage bin.
NOTE. The first ice bits that drop into the ice
storage bin are not so hard as the evaporating
temperature has not yet reached the correct
operating value. It is necessary to allow the
ice - just made - to cure itself and wait for
about ten minutes for the evaporating tem-
perature to reach the correct value so to
make more hard bits of ice.
L
N
11
10
9
1
2
7
8
6
5
4
3
13
12
FIG. 1
START UP
After having correctly installed the ice maker and
completed the plumbing and electrical
connections, perform the following “Start-up”
procedure.
A. Open the water supply line shutoff valve and
put the unit under electrical power by moving the
main switch, on the power supply line, to the ON
position.
The first LED - GREEN - will glow to signal that
unit is under power.
NOTE. Every time the unit is put under
power, after being kept for sometime in shut-
off conditions (electrically disconnected) the
RED LED will blink for 3 minutes after which
the unit will start up with the immediate
operation of the gear motor assembly and,
after few seconds, of the compressor assy
(Fig.1).

Related product manuals