EasyManua.ls Logo

Seca 677 - Appendixes

Seca 677
67 pages
Print Icon
To Next Page IconTo Next Page
To Next Page IconTo Next Page
To Previous Page IconTo Previous Page
To Previous Page IconTo Previous Page
Loading...
Appendixes seca
14.11.12/RLEU/ARI/MRE 36/40 30-34-00-812c
Appendixes
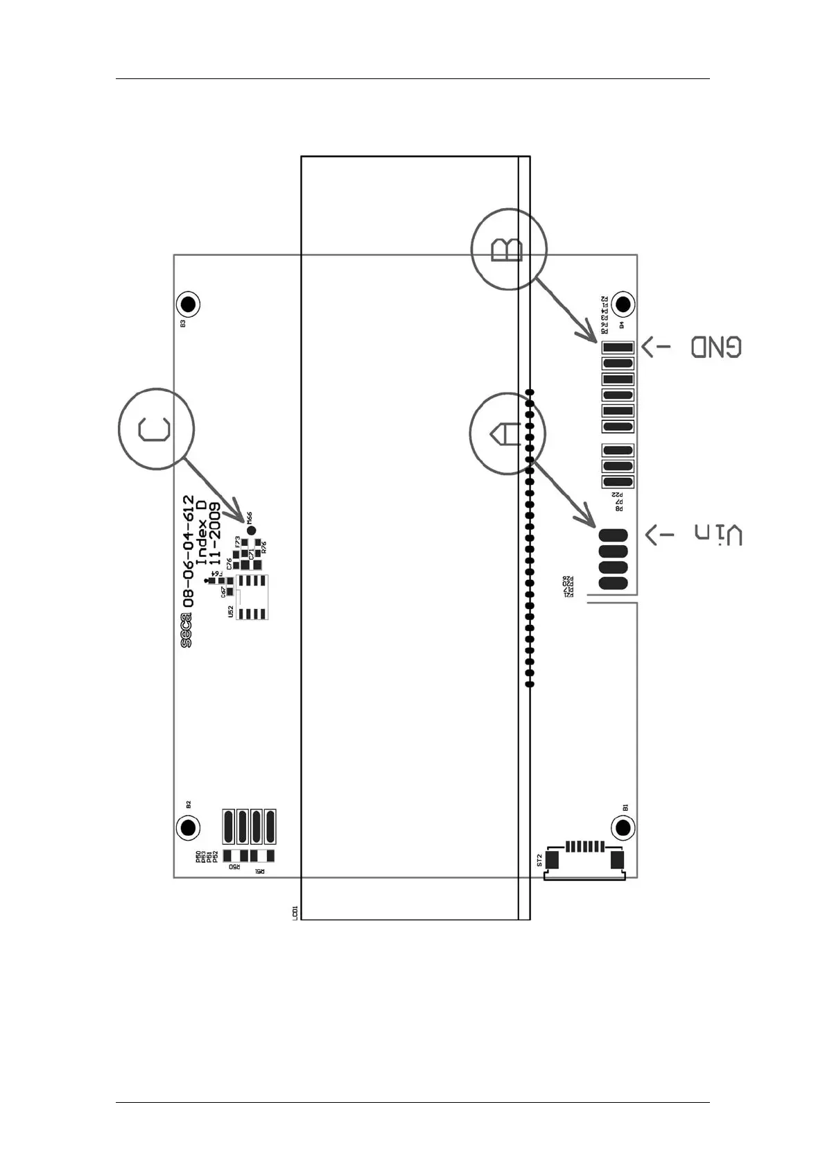
Appendix 1: Measuring points on SECA module 08-06-18-163 [703]

Table of Contents

Other manuals for Seca 677

Related product manuals