EasyManua.ls Logo

Security Link SL150 - Figure 22. Connection of AAV Unit When Not Using a 4285;4286 VIP Module; Figure 23. Connection of AAV Unit When also Using a 4285 or 4286 VIP Module

Security Link SL150
144 pages
Print Icon
To Next Page IconTo Next Page
To Next Page IconTo Next Page
To Previous Page IconTo Previous Page
To Previous Page IconTo Previous Page
Loading...
SL150 Installation and Setup Guide
11–2
CONTROL/
DIALER HEADER
NOTE:
REFER TO AAV MODULE
INSTRUCTIONS FOR
CONNECTIONS TO AUDIO
SPEAKERS AND MICROPHONE.
EAGLE
1250
5
4
22
21
23 24
25
DIP Switch
1 2 3 4 5 6
ON
CONTROL
EARTH
GROUND
RED (R)
GREEN (T)
GREY (R)
BROWN (T)
INCOMING
PHONE LINE
RJ31X
YELLOW
RED
BROWN
TIP
RING
EAGLE
SUPPLIED
CABLE
13
14
15
16
V+
GND
4204
RELAY 1
SHOWN
OFF
NO
NC C
TO PREMISES
HANDSET
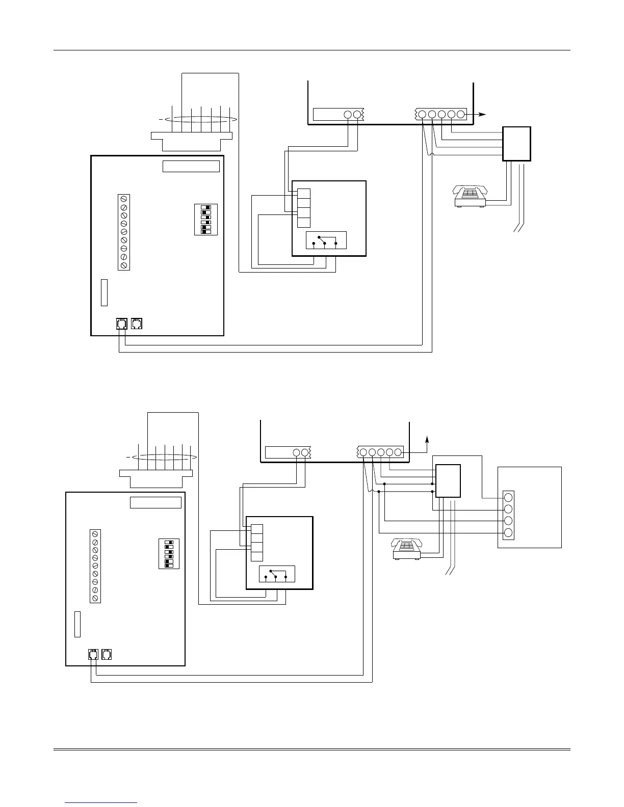
Figure 22. Connection of AAV Unit When Not Using a 4285/4286 VIP Module
CONTROL/
DIALER HEADER
NOTE:
REFER TO AAV MODULE
INSTRUCTIONS FOR
CONNECTIONS TO AUDIO
SPEAKERS AND MICROPHONE.
EAGLE
1250
5
4
22
21
23 24
25
DIP Switch
1 2 3 4 5 6
ON
CONTROL
EARTH
GROUND
RED (R)
GREEN (T)
GREY (R)
BROWN (T)
INCOMING
PHONE LINE
RJ31X
YELLOW
RED
BROWN
TIP
RING
EAGLE
SUPPLIED
CABLE
13
14
15
16
V+
GND
4204
RELAY 1
SHOWN
OFF
NO
NC C
TO PREMISES
HANDSET
4285 or 4286
4
3
2
1
Figure 23. Connection of AAV Unit When Also Using a 4285 or 4286 VIP Module

Table of Contents