EasyManua.ls Logo

Security Link SL150 - Figure 11. Keyswitch Wiring Without the 4300 Transformer

Security Link SL150
144 pages
Print Icon
To Next Page IconTo Next Page
To Next Page IconTo Next Page
To Previous Page IconTo Previous Page
To Previous Page IconTo Previous Page
Loading...
SL150 Installation and Setup Guide
4–6
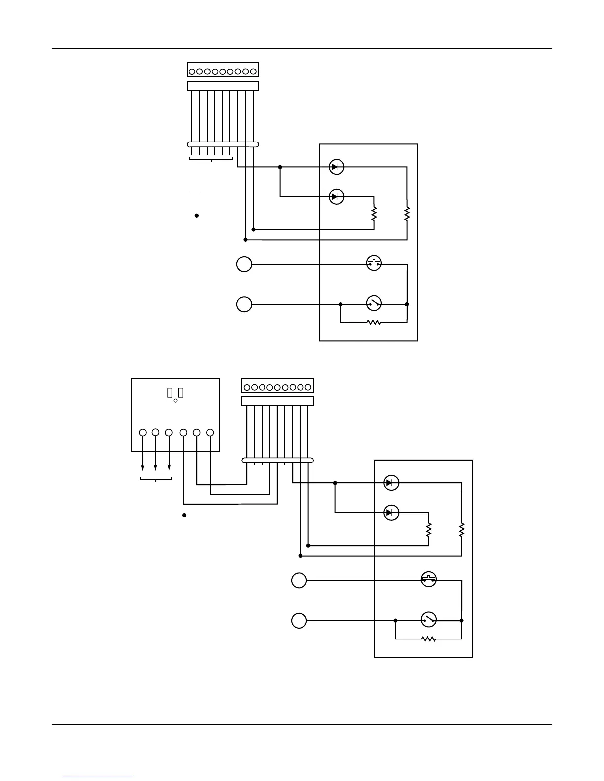
123456789
4146 KEYSWITCH
4142TR CABLE
VIOLET
GRAY
YELLOW
RED
GREEN
BROWN
BLUE
BLACK
WHITE
9-PIN
CONNECTOR
ON CONTROL PANEL
(READY)
GREEN
LOCK
SWITCH (N. O.)
TAMPER
SWITCH (N. C.)
(ARMED)
RED
YELLOW
WHITE
EOLR
2000 ohms
18
19
ZONE 7
ON CONTROL
BOARD
BROWN
BLUE
BROWN
BLUE
820
ohms
820
ohms
= WIRE NUT
THESE WIRES NOT
CONNECTED IF
4300 INTERFACE
TRANSFORMER IS
NOT BEING USED
Figure 11. Keyswitch Wiring Without the 4300 Transformer
123456789
4146 KEYSWITCH
4300 TRANSFORMER
TERMINALS ON
CONTROL BOARD
4142TR CABLE
1
25 2
Earth
Ground
ACAC
Sync
ComData
23 4561
VIOLET
GRAY
YELLOW
RED
GREEN
BROWN
BLUE
BLACK
WHITE
9-PIN
CONNECTOR
ON CONTROL PANEL
(READY)
GREEN
NOT
USED
NOT
USED
LOCK
SWITCH (N. O.)
TAMPER
SWITCH (N. C.)
(ARMED)
RED
YELLOW
WHITE
EOLR
2000 ohms
18
19
ZONE 7
ON CONTROL
BOARD
BROWN
BLUE
BROWN
BLUE
820
ohms
820
ohms
= WIRE NUT
Figure 12 . Keyswitch Wiring With the 4300 Transformer

Table of Contents