EasyManua.ls Logo

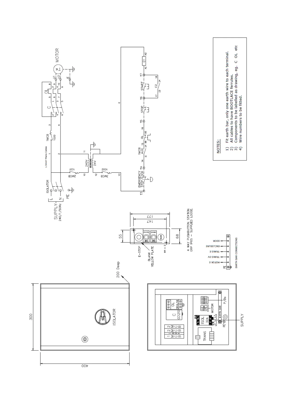
Sedgwick TA315 - Single Phase Wiring Diagram

Sedgwick TA315
36 pages
Print Icon
To Next Page IconTo Next Page
To Next Page IconTo Next Page
To Previous Page IconTo Previous Page
To Previous Page IconTo Previous Page
Loading...
TA Operation/Maintenance Instructions Page 34 of 36
10.2 TA315 Single Phase Wiring Diagram