EasyManua.ls Logo

Selectronic SP PRO - Page 30

Selectronic SP PRO
76 pages
Print Icon
To Next Page IconTo Next Page
To Next Page IconTo Next Page
To Previous Page IconTo Previous Page
To Previous Page IconTo Previous Page
Loading...



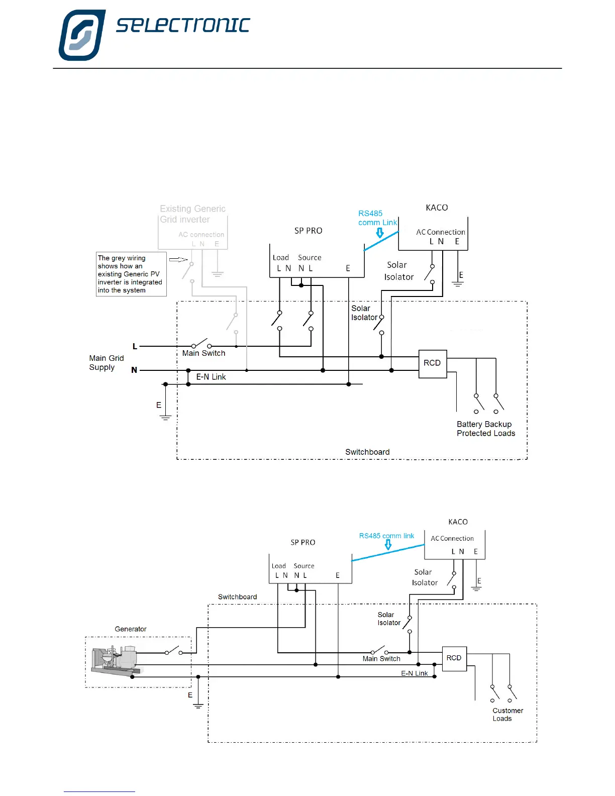
Line diagram for single phase managed AC coupling








Table of Contents

Other manuals for Selectronic SP PRO

Related product manuals