EasyManua.ls Logo

Sena PS110 - Serial Wiring Diagrams

Sena PS110
110 pages
Print Icon
To Next Page IconTo Next Page
To Next Page IconTo Next Page
To Previous Page IconTo Previous Page
To Previous Page IconTo Previous Page
Loading...
93
A 1.4. Serial Wiring Diagram
A 1.4.1. RS232 Serial Wiring Diagram
Tx(3)
Rx(2)
RTS(7)
CTS(8)
DTR(4)
DSR(6)
GND(5)
Rx
Tx
CTS
RTS
DSR
DTR
GND
HelloDevice
Serial Device
RS232
Figure A-6 RS232 wiring diagram
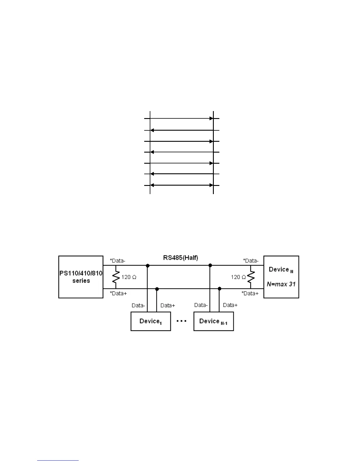
A 1.4.2. RS422/485 Serial Wiring Diagram
*Data+ means that coupling of Tx+(1) pin and Rx+(2) pin
*Data- means that coupling of Tx-(6) pin and Rx-(8) pin
Figure A-7 RS485 wiring diagram

Table of Contents

Related product manuals