EasyManua.ls Logo

Sencotel Granitore 1 - Page 53

Sencotel Granitore 1
Print Icon
To Next Page IconTo Next Page
To Next Page IconTo Next Page
To Previous Page IconTo Previous Page
To Previous Page IconTo Previous Page
Loading...
SL310005700 Ed.00 - 04-2011 - 23 _ES-
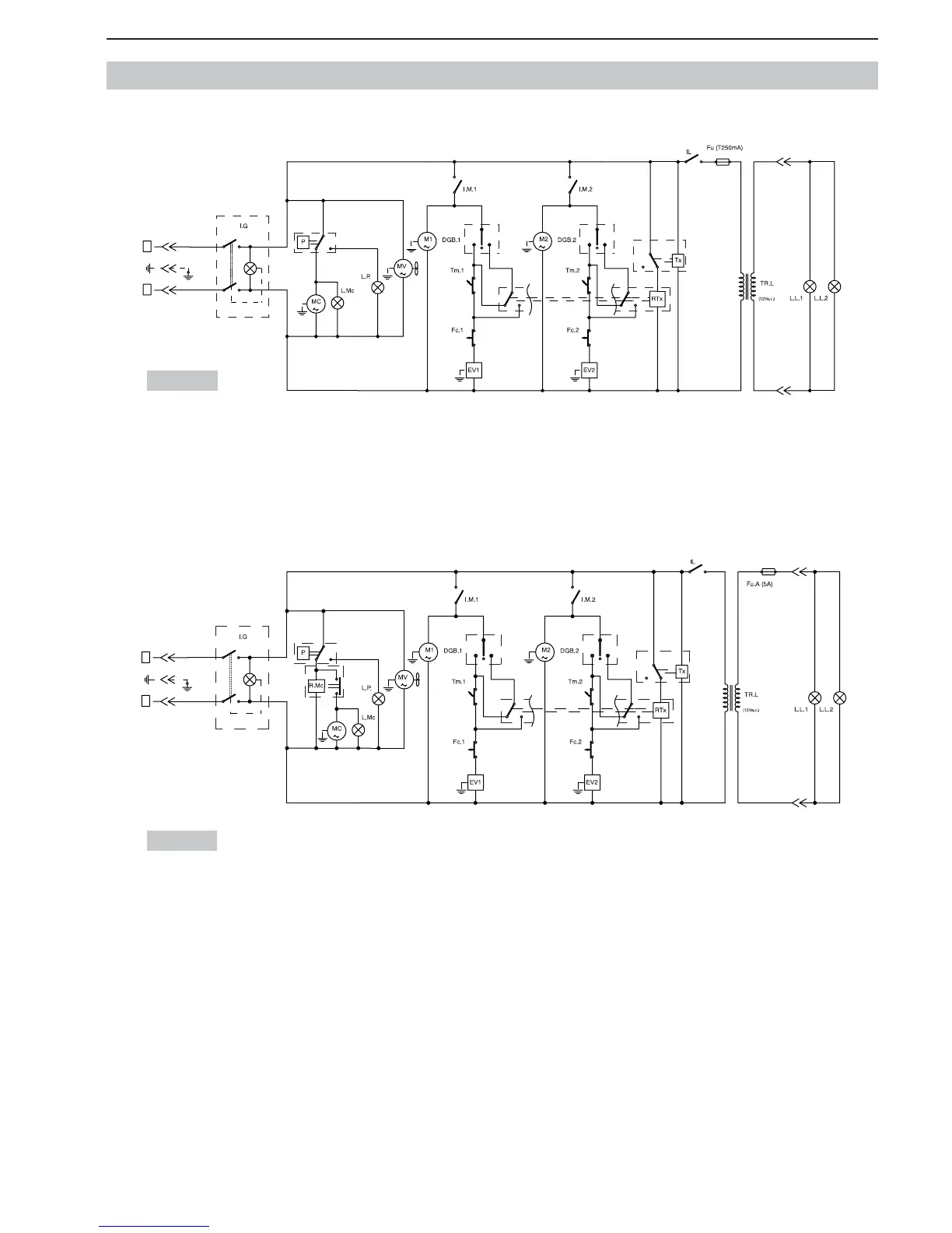
ESQUEMAS ELÉCTRICOS NO ESPECIFICADOS (
GRANIZADORA
2 - 2FF)
230 Volt
115 Volt
IIII
I
I
I
0
0
I
0
I
I
0
F
N
IIII
I
I
I
0
0
I
0
I
I
0
F
N

Table of Contents