EasyManua.ls Logo

Sencotel Granitore 1 - Granitore 2; 2 FF Wiring Diagrams

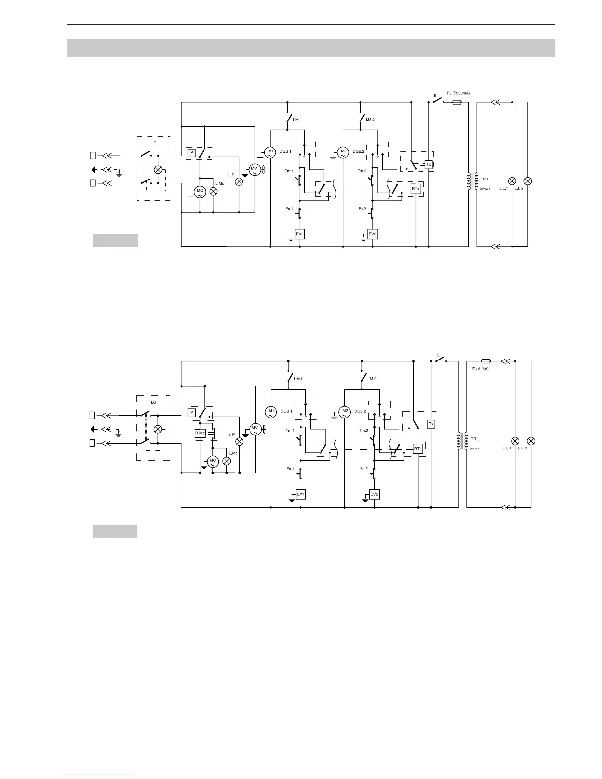
Sencotel Granitore 1
Print Icon
To Next Page IconTo Next Page
To Next Page IconTo Next Page
To Previous Page IconTo Previous Page
To Previous Page IconTo Previous Page
Loading...
SL320005700 Ed.00 - 04-2011 - 23 _EN-
BASIC WIRING DIAGRAMS (GRANITORE 2 - 2FF)
230 Volt
115 Volt
IIII
I
I
I
0
0
I
0
I
I
0
F
N
IIII
I
I
I
0
0
I
0
I
I
0
F
N

Table of Contents