EasyManua.ls Logo

Servend MD 150 - MDH 302;402 EXPLODED VIEW

Servend MD 150
64 pages
Print Icon
To Next Page IconTo Next Page
To Next Page IconTo Next Page
To Previous Page IconTo Previous Page
To Previous Page IconTo Previous Page
Loading...
Installation and Service Manual
45
EXPLODED VIEWS, PARTS & DIAGRAMS
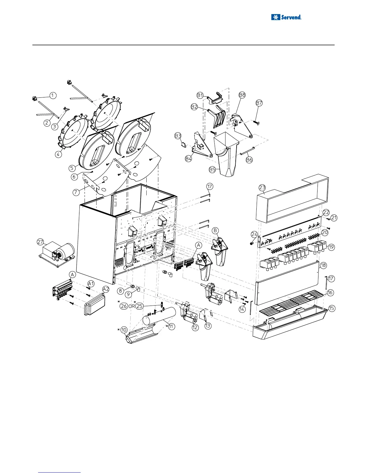
MDH 302/402 EXPLODED VIEW

Table of Contents

Related product manuals