EasyManua.ls Logo

Seton W-90E - BOILER PLUMBING

Default Icon
64 pages
Print Icon
To Next Page IconTo Next Page
To Next Page IconTo Next Page
To Previous Page IconTo Previous Page
To Previous Page IconTo Previous Page
Loading...
WOOD BOILER INSTRUCTIONS Page 9 Copyright © 2011 Seton Wood Boilers all rights reserved
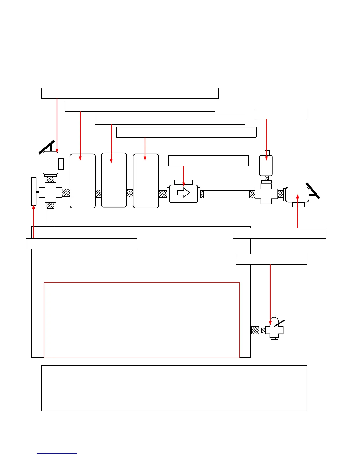
BOILER INSTALLATION BOILER PLUMBING
The boiler must be plumbed so that if the draft motor sticks open for any reason the cold feed water
will flow up through the boiler pressure vessel and protect it from overheating.
The temperature and pressure relief valve must be mounted on top of the boiler before the check valve.
WOOD BOILER
TEMPERATURE AND PRESSURE GAUGE
TEMPERATURE AND PRESSURE RELIEF VALVE OPENS AT 210°
AQUASTAT FOR DRAFT CONTROL 180° OPEN ON RISE
AQUASTAT FOR DUMP ZONE 200° CLOSE ON RISE
1” SWING CHECK VALVE
30# PRESSURE RELIEVE VALVE
AUTO AIR VENT
When the boiler is plumbed this way it is protected from over temperature.
When the T&P valve releases because of over temp the cold water will come up through the
boiler and protect the boiler.
Without the T&P in front of the check valve the feed water will reverse feed through the
boiler supply pipe and allow the boiler to be damaged.
12# BOILER FILL VALVE
AQUASTAT FOR PUMP CONTROL 110° OPEN ON RISE
PLUMB BOTH RELIEF VALVES TO A SAFE LOCATION
PIPE MUST RUN DOWN HILL ITS FULL LENGTH
PLUMB TO AN OUTSIDE AREA., DO NOT
ALLOW THE PIPE TO EXTEND OUTSIDE FAR ENOUGH TO FREEZE.
DO NOT REDUCE THE PIPE SIZE.
DO NOT PUT THREADS ON THE OPEN END OF THE DRAIN PIPE
DO NOT JOIN THE TWO DRAINS TOGETHER
WARNING!! ATOMIZED POLYPROPYLENE GLYCOL AT
HIGH TEMPERATURES CAN CAUSE AN EXPLOSION!!